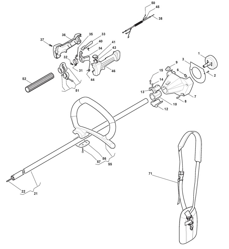
Handantrieb

Zeichnungen von Alpina Rasentrimmer/Freischneider B 28 mit Geräte Nr. 280120000/12 ab Baujahr 2014

Zeichnung


Beachten Sie bitte, dass die Gerätebezeichnung Alpina Rasentrimmer/Freischneider B 28, das Baujahr ab 2014 und die Geräte Nr. 280120000/12 lauten muss, denn nur so kann sichergestellt werden, dass das Ersatzteil passt.
Hier finden Sie alle Ersatzteile von Alpina Rasentrimmer/Freischneider B 28 (280120000/12) ab Bj. 2014:
Artikel 1 - 10 von 28


Artikel 1 - 10 von 28