Handantrieb (2)

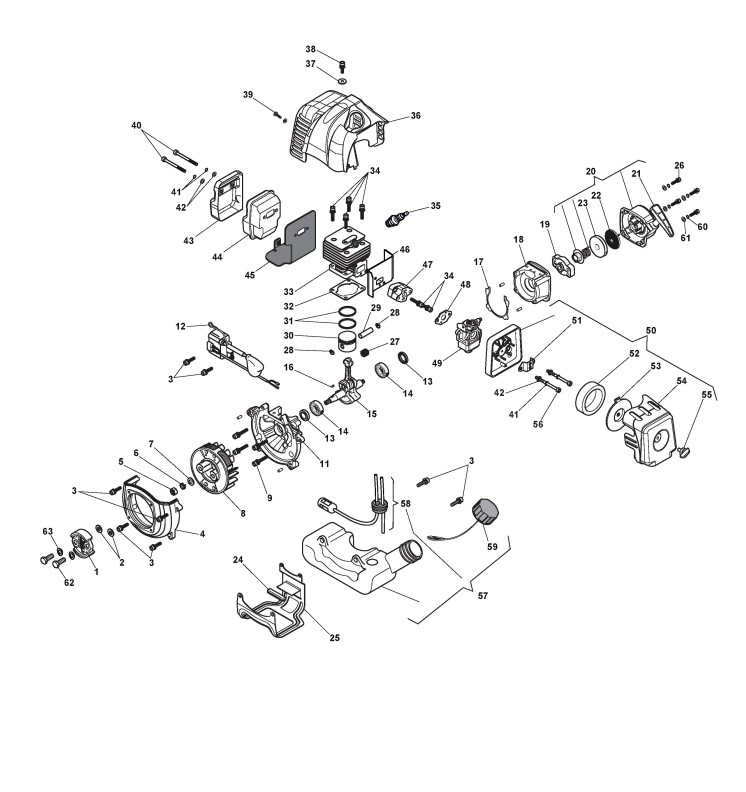
Zeichnung von Castelgarden Benzin Freischneider BS 25 J (286120103/ALP) ab 2018:

Klicken Sie auf diese Zeichnung

Sollten Sie Fragen zu einem Ersatzteil haben, können Sie uns gerne eine Ersatzteilanfrage stellen.

Hier finden Sie alle Ersatzteile von Castelgarden Benzin Freischneider BS 25 J (286120103/ALP) ab 2018 aus der Zeichnung Handantrieb (2):
Artikel 1 - 13 von 13


Artikel 1 - 13 von 13