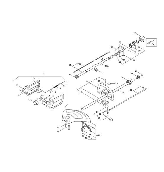
Handantrieb (1)

Zeichnung von Castelgarden Benzin Freischneider G 444 (284422000/0F4) ab 2004:

Klicken Sie auf diese Zeichnung

Sollten Sie Fragen zu einem Ersatzteil haben, können Sie uns gerne eine Ersatzteilanfrage stellen.

Hier finden Sie alle Ersatzteile von Castelgarden Benzin Freischneider G 444 (284422000/0F4) ab 2004 aus der Zeichnung Handantrieb (1):
Artikel 1 - 20 von 31


Artikel 1 - 20 von 31