Hackantrieb, Holm

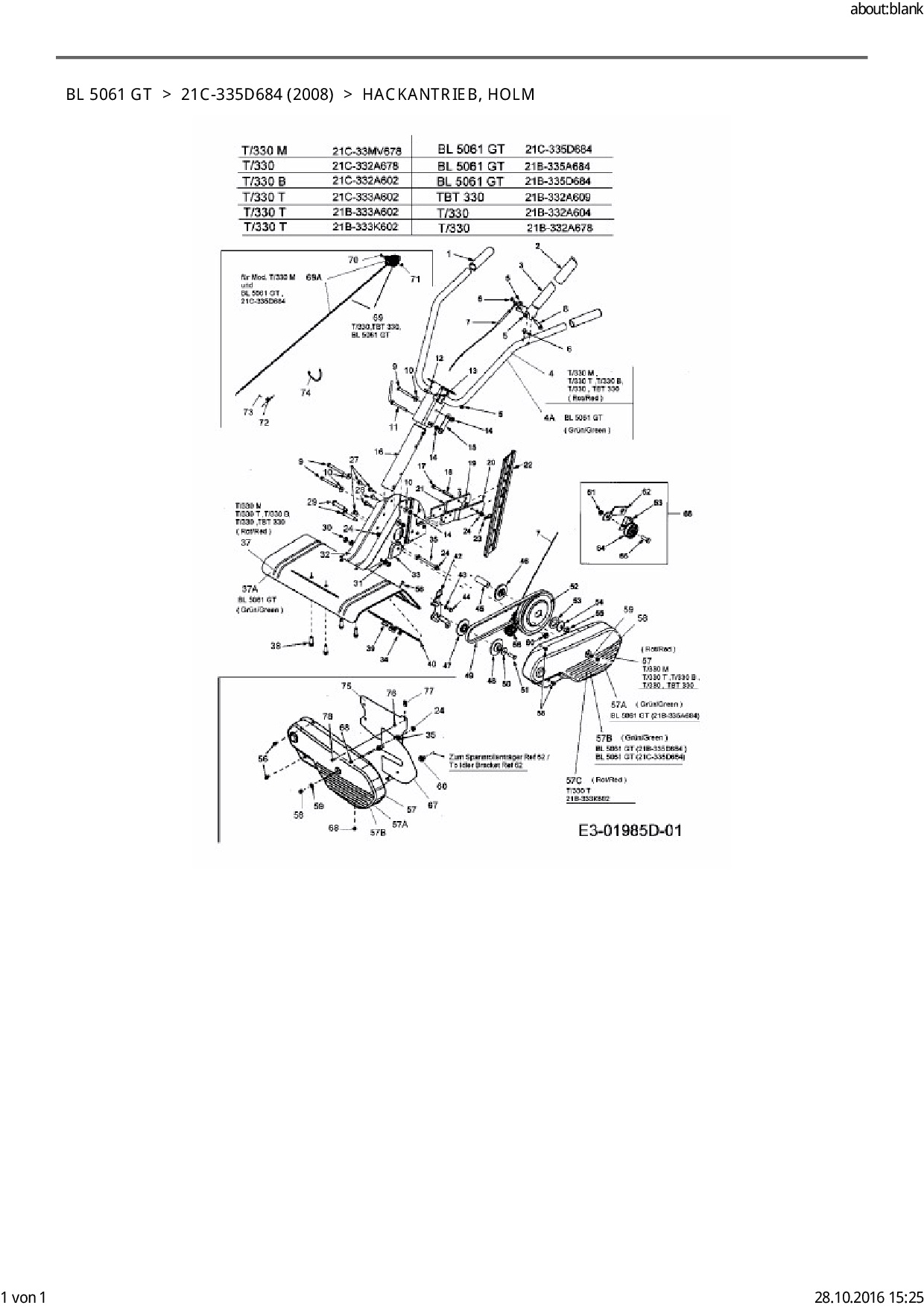
Zeichnung für Bolens Motorhacke BL 5061 GT mit der Geräte-Artikelnr. 21C-335D684 ab Baujahr 2008:

Zeichnung Hackantrieb, Holm

Die Ersatzteil-Zeichnung für Motorhacke Bolens BL 5061 GT als Download:
Download Ersatzteil-Zeichnung Bolens BL 5061 GT Zeichnung Hackantrieb, Holm (PDF-Format)
Download Ersatzteil-Zeichnung Bolens BL 5061 GT Zeichnung Hackantrieb, Holm (JPG-Format)

Sollten Sie Fragen zu einem Ersatzteil haben, können Sie uns gerne eine E-Mail (mit einem Foto vom Typenschild Ihres Gerätes) schreiben oder eine Ersatzteilanfrage stellen.

Ersatzteile für Motorhacke Bolens BL 5061 GT aus der Zeichnung Hackantrieb, Holm:
Artikel 1 - 10 von 72

8,88 € *
Lieferzeit: 2 - 10 Werktage
10,88 € *
Lieferzeit: 2 - 10 Werktage
31,41 € *
Lieferzeit: 2 - 10 Werktage
38,00 € *
Lieferzeit: 2 - 10 Werktage
8,88 € *
Lieferzeit: 2 - 10 Werktage
6,88 € *
Lieferzeit: 2 - 10 Werktage
32,52 € *
Lieferzeit: 2 - 10 Werktage
11,88 € *
Lieferzeit: 2 - 10 Werktage
6,88 € *
Lieferzeit: 2 - 10 Werktage
5,88 € *
Lieferzeit: 2 - 10 Werktage