HRB

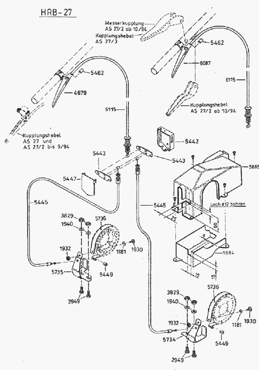
Zeichnung von AS-Motor Allmäher AS 27/3 ab FNr. 0122644001:

Klicken Sie auf diese Zeichnung

Sollten Sie Fragen zu einem Ersatzteil haben, können Sie uns gerne eine Ersatzteilanfrage stellen.

Hier finden Sie alle Ersatzteile von AS-Motor Allmäher AS 27/3 ab FNr. 0122644001 aus dem Zeichnungsblatt HRB:
Artikel 1 - 10 von 18

4,53 € *
Lieferzeit: 2 - 10 Werktage
4,53 € *
Lieferzeit: 2 - 10 Werktage
4,53 € *
Lieferzeit: 2 - 10 Werktage
4,53 € *
Lieferzeit: 2 - 10 Werktage
28,11 € *
Lieferzeit: 2 - 10 Werktage
35,94 € *
Lieferzeit: 2 - 10 Werktage
35,94 € *
Lieferzeit: 2 - 10 Werktage
8,12 € *
Lieferzeit: 2 - 10 Werktage
6,70 € *
Lieferzeit: 2 - 10 Werktage
122,86 € *
Lieferzeit: 2 - 10 Werktage

Artikel 1 - 10 von 18