HL 850 E - Hobel 489014

Ersatzteile für Festool HL 850 E - Hobel 489014

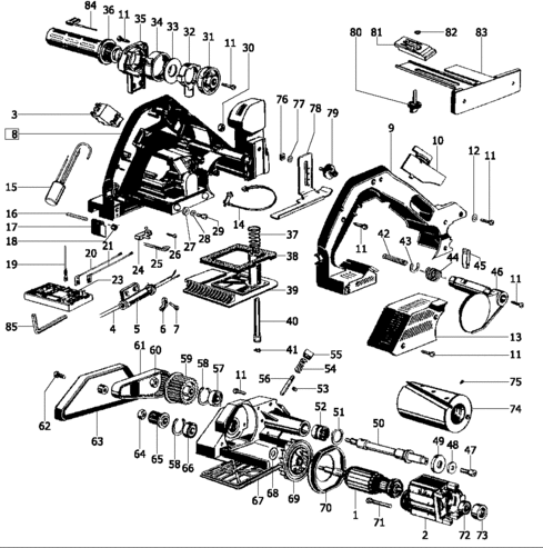
Zeichnung

Sollten Sie Fragen zu einem Ersatzteil vom Festool HL 850 E - Hobel 489014 haben, können Sie uns gerne eine E-Mail (mit einem Foto vom Typenschild Ihres Gerätes) schreiben oder eine Ersatzteilanfrage stellen.

Folgende Ersatzteile für Festool HL 850 E - Hobel 489014 können Sie hier bestellen:
Artikel 1 - 10 von 74

295,14 € *
Lieferzeit: 2 - 10 Werktage
47,94 € *
Lieferzeit: 2 - 10 Werktage
10,76 € *
Lieferzeit: 2 - 10 Werktage
8,06 € *
Lieferzeit: 2 - 10 Werktage
30,20 € *
Lieferzeit: 2 - 10 Werktage
10,06 € *
Lieferzeit: 2 - 10 Werktage
6,06 € *
Lieferzeit: 2 - 10 Werktage
10,16 € *
Lieferzeit: 2 - 10 Werktage
6,76 € *
Lieferzeit: 2 - 10 Werktage
6,06 € *
Lieferzeit: 2 - 10 Werktage