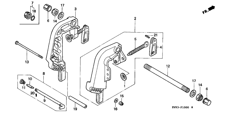
HECKHALTERUNG

Ersatzteile für Honda Außenbordmotoren BF30AX LRSD (LRSD) Baugruppe HECKHALTERUNG

Zeichnung

Sollten Sie Fragen zu einem Ersatzteil vom Honda Außenbordmotoren BF30AX LRSD (LRSD) haben, können Sie uns gerne eine E-Mail (mit einem Foto vom Typenschild Ihres Gerätes) schreiben oder eine Ersatzteilanfrage stellen.

Folgende Ersatzteile für Honda Außenbordmotoren BF30AX LRSD (LRSD) können Sie hier bestellen:
Artikel 1 - 21 von 21

11,26 € *
Lieferzeit: 2 - 10 Werktage
75,06 € *
Lieferzeit: 2 - 10 Werktage
22,69 € *
Lieferzeit: 2 - 10 Werktage
236,10 € *
Lieferzeit: 2 - 10 Werktage

Artikel 1 - 21 von 21