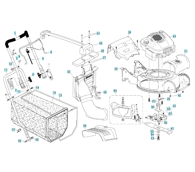
HANDLE & ENGINE

Ersatzteile für Husqvarna Rasenmäher private Nutzung R145SV ( 96141013108, 2013-02 ) HANDLE & ENGINE:

Zeichnung für Husqvarna Rasenmäher private Nutzung R145SV ( 96141013108, 2013-02 ) HANDLE & ENGINE

Sollten Sie Fragen zu einem Ersatzteil von R145SV ( 96141013108, 2013-02 ) haben, können Sie uns gerne eine Ersatzteilanfrage (mit einem Foto vom Typenschild Ihres Gerätes) stellen.

Folgende Ersatzteile für Husqvarna Rasenmäher private Nutzung R145SV ( 96141013108, 2013-02 ) HANDLE & ENGINE können Sie hier bestellen:
Artikel 1 - 20 von 32


Artikel 1 - 20 von 32