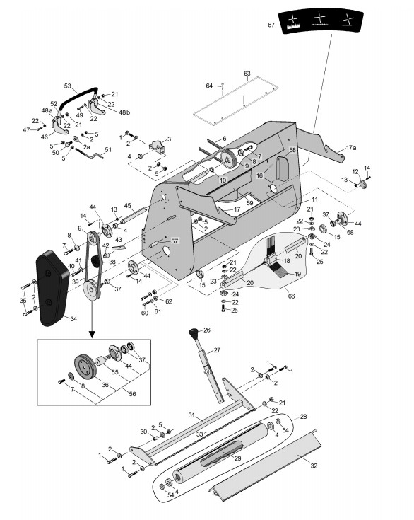
Grundkörper KM-5002-4WD

Zeichnung von ECHO-Motorgeräte Rasentraktoren A-Serie A-200er Serie Bj. 2009 Grundkörper KM-5002-4WD:

Klicken Sie auf diese Zeichnung

Sollten Sie Fragen zu einem Ersatzteil haben, können Sie uns gerne eine Ersatzteilanfrage stellen.

Hier finden Sie alle Ersatzteile von ECHO-Motorgeräte Rasentraktoren A-Serie A-200er Serie Bj. 2009:
Artikel 1 - 43 von 43


Artikel 1 - 43 von 43