Grundgerät

Zeichnung für OK Motormäher mit Antrieb 46 SPE mit der Geräte-Artikelnr. 12CE684Y667 ab Baujahr 2001:

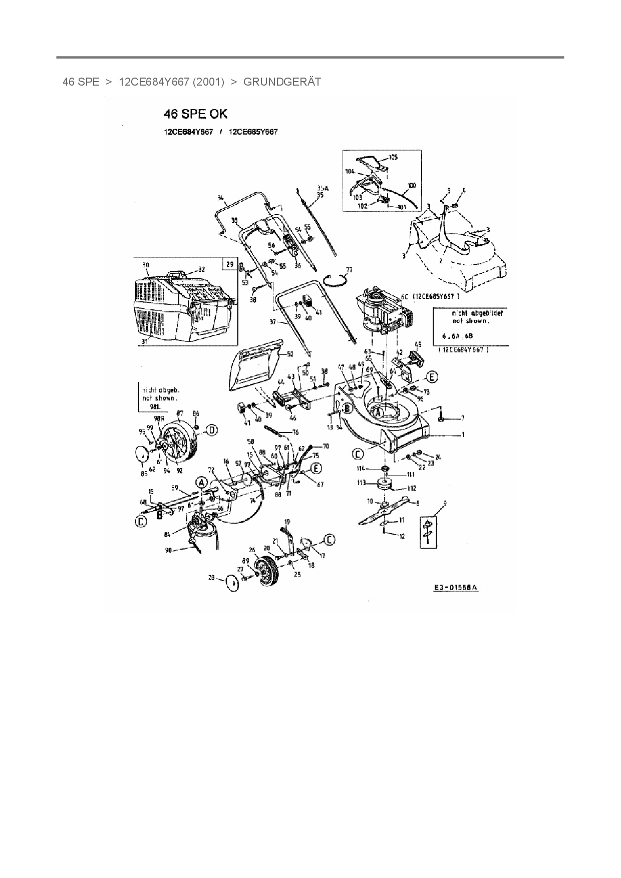
Zeichnung Grundgerät

Die Ersatzteil-Zeichnung für Motormäher mit Antrieb OK 46 SPE als Download:
Download Ersatzteil-Zeichnung OK 46 SPE Zeichnung Grundgerät (PDF-Format)
Download Ersatzteil-Zeichnung OK 46 SPE Zeichnung Grundgerät (JPG-Format)

Sollten Sie Fragen zu einem Ersatzteil haben, können Sie uns gerne eine E-Mail (mit einem Foto vom Typenschild Ihres Gerätes) schreiben oder eine Ersatzteilanfrage stellen.

Ersatzteile für Motormäher mit Antrieb OK 46 SPE aus der Zeichnung Grundgerät:

238,93 € *
Lieferzeit: 2 - 10 Werktage
6,88 € *
Lieferzeit: 2 - 10 Werktage
7,88 € *
Lieferzeit: 2 - 10 Werktage
5,88 € *
Lieferzeit: 2 - 10 Werktage
6,88 € *
Lieferzeit: 2 - 10 Werktage
42,47 € *
Lieferzeit: 2 - 10 Werktage
25,55 € *
Lieferzeit: 2 - 10 Werktage
25,55 € *
Lieferzeit: 2 - 10 Werktage
17,71 € *
Lieferzeit: 2 - 10 Werktage