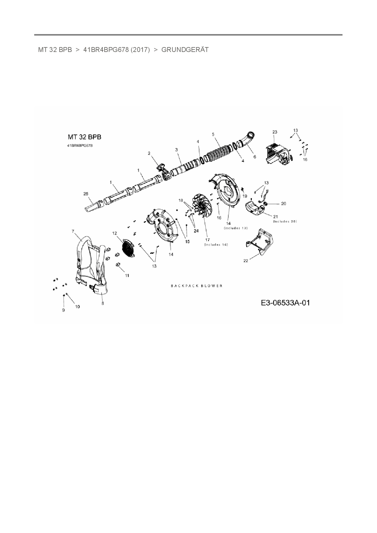
Grundgerät

Zeichnung für MTD Laubbläser, Laubsauger MT 32 BPB mit der Geräte-Artikelnr. 41BR4BPG678 ab Baujahr 2017:

Zeichnung Grundgerät

Die Ersatzteil-Zeichnung für Laubbläser, Laubsauger MTD MT 32 BPB als Download:
Download Ersatzteil-Zeichnung MTD MT 32 BPB Zeichnung Grundgerät (PDF-Format)
Download Ersatzteil-Zeichnung MTD MT 32 BPB Zeichnung Grundgerät (JPG-Format)

Sollten Sie Fragen zu einem Ersatzteil haben, können Sie uns gerne eine E-Mail (mit einem Foto vom Typenschild Ihres Gerätes) schreiben oder eine Ersatzteilanfrage stellen.

Ersatzteile für Laubbläser, Laubsauger MTD MT 32 BPB aus der Zeichnung Grundgerät: