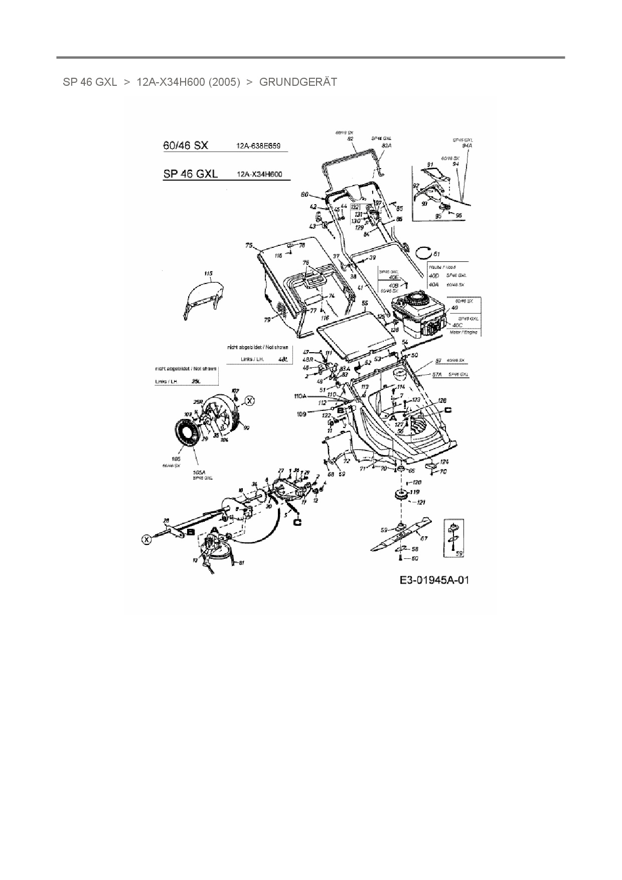
Grundgerät

Zeichnung für MTD Motormäher mit Antrieb SP 46 GXL mit der Geräte-Artikelnr. 12A-X34H600 ab Baujahr 2005:

Zeichnung Grundgerät

Die Ersatzteil-Zeichnung für Motormäher mit Antrieb MTD SP 46 GXL als Download:
Download Ersatzteil-Zeichnung MTD SP 46 GXL Zeichnung Grundgerät (PDF-Format)
Download Ersatzteil-Zeichnung MTD SP 46 GXL Zeichnung Grundgerät (JPG-Format)

Sollten Sie Fragen zu einem Ersatzteil haben, können Sie uns gerne eine E-Mail (mit einem Foto vom Typenschild Ihres Gerätes) schreiben oder eine Ersatzteilanfrage stellen.

Ersatzteile für Motormäher mit Antrieb MTD SP 46 GXL aus der Zeichnung Grundgerät:
Artikel 1 - 10 von 108

5,88 € *
Lieferzeit: 2 - 10 Werktage
19,24 € *
Lieferzeit: 2 - 10 Werktage
5,88 € *
Lieferzeit: 2 - 10 Werktage
6,88 € *
Lieferzeit: 2 - 10 Werktage