Grundgerät

Zeichnung für MTD Motormäher mit Antrieb Rotomax 53 S mit der Geräte-Artikelnr. 127-8720 ab Baujahr 1987:

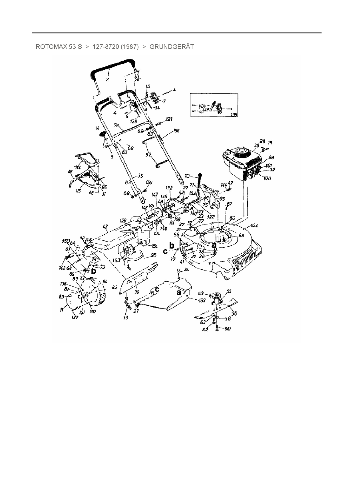
Zeichnung Grundgerät

Die Ersatzteil-Zeichnung für Motormäher mit Antrieb MTD Rotomax 53 S als Download:
Download Ersatzteil-Zeichnung MTD Rotomax 53 S Zeichnung Grundgerät (PDF-Format)
Download Ersatzteil-Zeichnung MTD Rotomax 53 S Zeichnung Grundgerät (JPG-Format)

Sollten Sie Fragen zu einem Ersatzteil haben, können Sie uns gerne eine E-Mail (mit einem Foto vom Typenschild Ihres Gerätes) schreiben oder eine Ersatzteilanfrage stellen.

Ersatzteile für Motormäher mit Antrieb MTD Rotomax 53 S aus der Zeichnung Grundgerät:
Artikel 1 - 20 von 50

5,88 € *
Lieferzeit: 2 - 10 Werktage
6,32 € *
Lieferzeit: 2 - 10 Werktage
18,94 € *
Lieferzeit: 2 - 10 Werktage
4,88 € *
Lieferzeit: 2 - 10 Werktage
7,88 € *
Lieferzeit: 2 - 10 Werktage
7,90 € *
Lieferzeit: 2 - 10 Werktage
15,88 € *
Lieferzeit: 2 - 10 Werktage

Artikel 1 - 20 von 50