Grundgerät

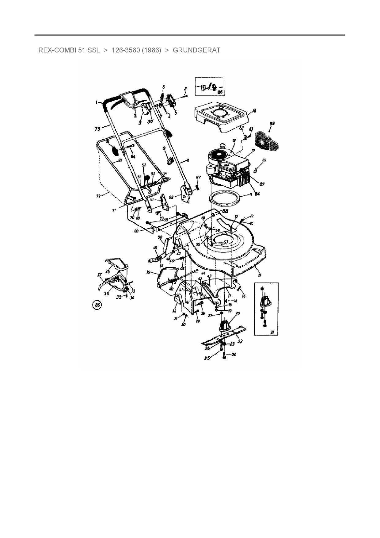
Zeichnung für MTD Motormäher mit Antrieb Rex-Combi 51 SSL mit der Geräte-Artikelnr. 126-3580 ab Baujahr 1986:

Zeichnung Grundgerät

Die Ersatzteil-Zeichnung für Motormäher mit Antrieb MTD Rex-Combi 51 SSL als Download:
Download Ersatzteil-Zeichnung MTD Rex-Combi 51 SSL Zeichnung Grundgerät (PDF-Format)
Download Ersatzteil-Zeichnung MTD Rex-Combi 51 SSL Zeichnung Grundgerät (JPG-Format)

Sollten Sie Fragen zu einem Ersatzteil haben, können Sie uns gerne eine E-Mail (mit einem Foto vom Typenschild Ihres Gerätes) schreiben oder eine Ersatzteilanfrage stellen.

Ersatzteile für Motormäher mit Antrieb MTD Rex-Combi 51 SSL aus der Zeichnung Grundgerät:
Artikel 1 - 10 von 41