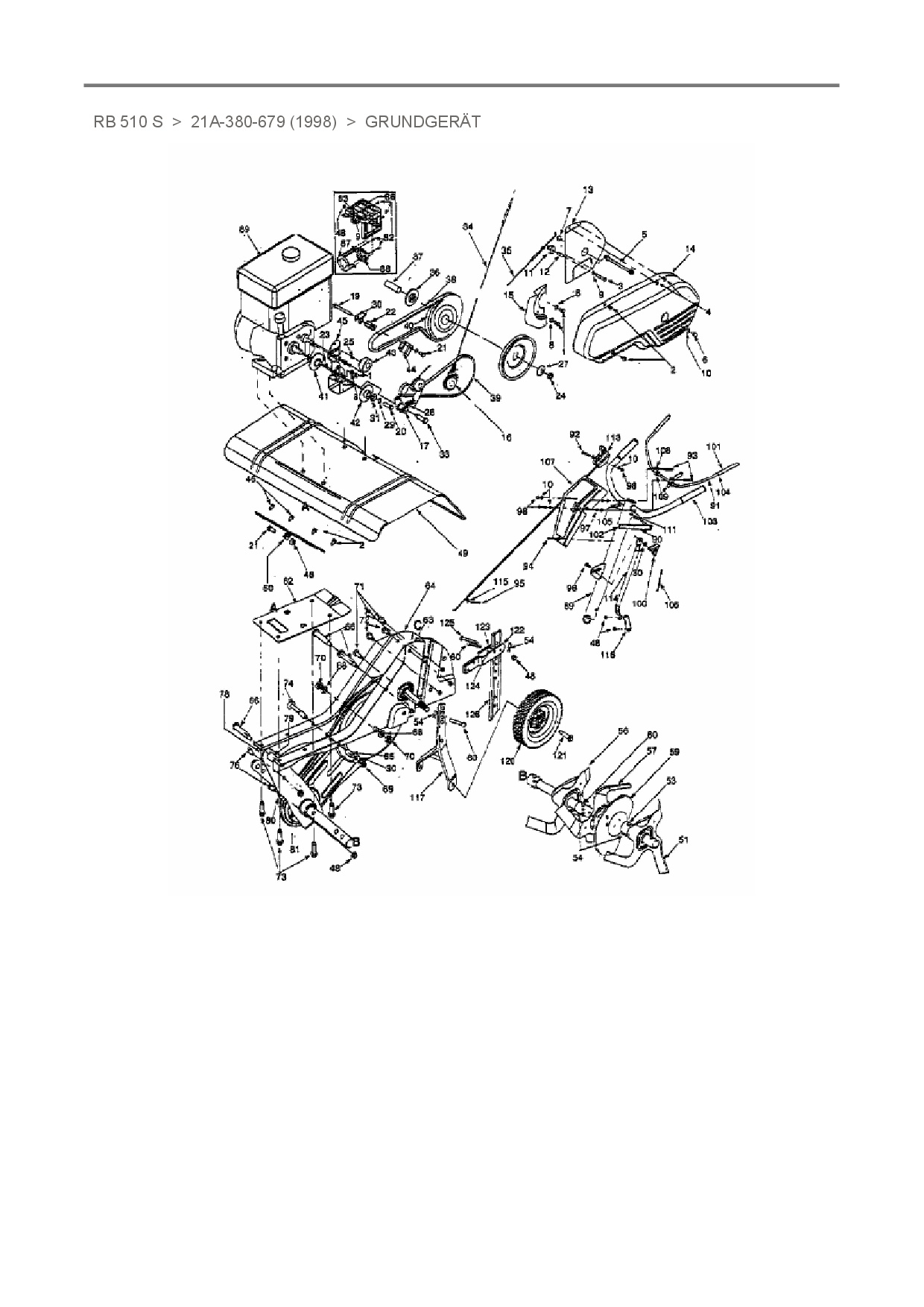
Grundgerät

Zeichnung für White Motorhacke RB 510 S mit der Geräte-Artikelnr. 21A-380-679 ab Baujahr 1998:

Zeichnung Grundgerät

Die Ersatzteil-Zeichnung für Motorhacke White RB 510 S als Download:
Download Ersatzteil-Zeichnung White RB 510 S Zeichnung Grundgerät (PDF-Format)
Download Ersatzteil-Zeichnung White RB 510 S Zeichnung Grundgerät (JPG-Format)

Sollten Sie Fragen zu einem Ersatzteil haben, können Sie uns gerne eine E-Mail (mit einem Foto vom Typenschild Ihres Gerätes) schreiben oder eine Ersatzteilanfrage stellen.

Ersatzteile für Motorhacke White RB 510 S aus der Zeichnung Grundgerät:

5,88 € *
Lieferzeit: 2 - 10 Werktage
6,88 € *
Lieferzeit: 2 - 10 Werktage
5,88 € *
Lieferzeit: 2 - 10 Werktage
6,88 € *
Lieferzeit: 2 - 10 Werktage
17,11 € *
Lieferzeit: 2 - 10 Werktage
5,88 € *
Lieferzeit: 2 - 10 Werktage
4,88 € *
Lieferzeit: 2 - 10 Werktage
5,88 € *
Lieferzeit: 2 - 10 Werktage
5,88 € *
Lieferzeit: 2 - 10 Werktage
4,88 € *
Lieferzeit: 2 - 10 Werktage