Grundgerät

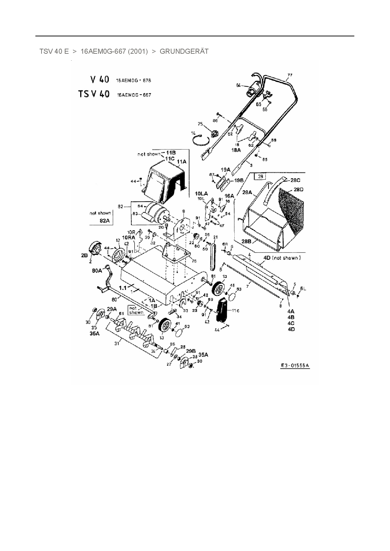
Zeichnung für Turbo-Silent Elektrovertikutierer TSV 40 E mit der Geräte-Artikelnr. 16AEM0G-667 ab Baujahr 2001:

Zeichnung Grundgerät

Die Ersatzteil-Zeichnung für Elektrovertikutierer Turbo-Silent TSV 40 E als Download:
Download Ersatzteil-Zeichnung Turbo-Silent TSV 40 E Zeichnung Grundgerät (PDF-Format)
Download Ersatzteil-Zeichnung Turbo-Silent TSV 40 E Zeichnung Grundgerät (JPG-Format)

Sollten Sie Fragen zu einem Ersatzteil haben, können Sie uns gerne eine E-Mail (mit einem Foto vom Typenschild Ihres Gerätes) schreiben oder eine Ersatzteilanfrage stellen.

Ersatzteile für Elektrovertikutierer Turbo-Silent TSV 40 E aus der Zeichnung Grundgerät:
Artikel 1 - 10 von 28


Artikel 1 - 10 von 28