Grundgerät

Zeichnung für Zubehör Utility Vehicle Zusatzelektrik Kabelbaum mit der Geräte-Artikelnr. 39B-209-100 ab Baujahr 2008:

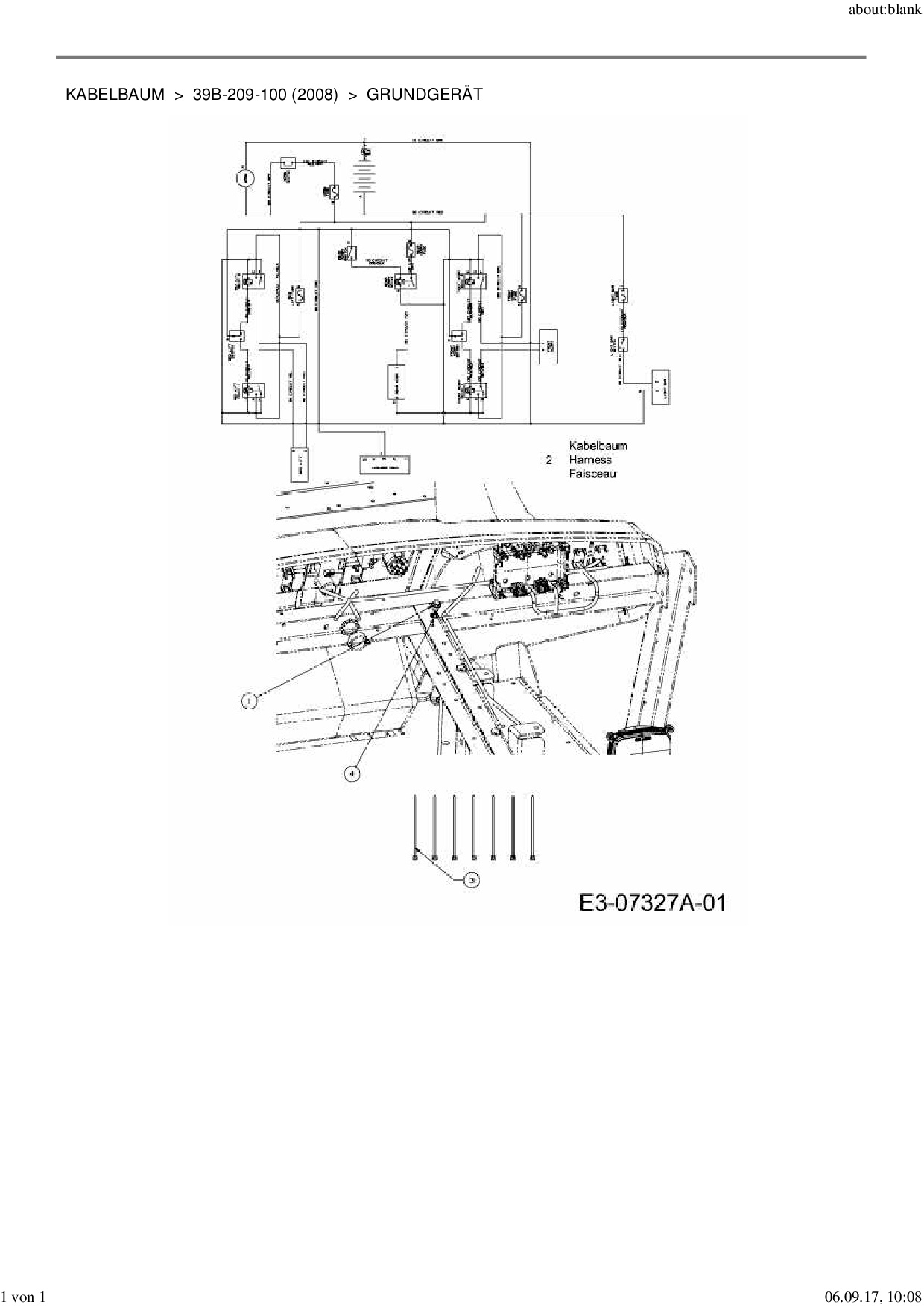
Zeichnung Grundgerät

Die Ersatzteil-Zeichnung für Zusatzelektrik Zubehör Utility Vehicle Kabelbaum als Download:
Download Ersatzteil-Zeichnung Zubehör Utility Vehicle Kabelbaum Zeichnung Grundgerät (PDF-Format)
Download Ersatzteil-Zeichnung Zubehör Utility Vehicle Kabelbaum Zeichnung Grundgerät (JPG-Format)

Sollten Sie Fragen zu einem Ersatzteil haben, können Sie uns gerne eine E-Mail (mit einem Foto vom Typenschild Ihres Gerätes) schreiben oder eine Ersatzteilanfrage stellen.

Ersatzteile für Zusatzelektrik Zubehör Utility Vehicle Kabelbaum aus der Zeichnung Grundgerät:
Artikel 1 - 3 von 3


Artikel 1 - 3 von 3