Grundgerät

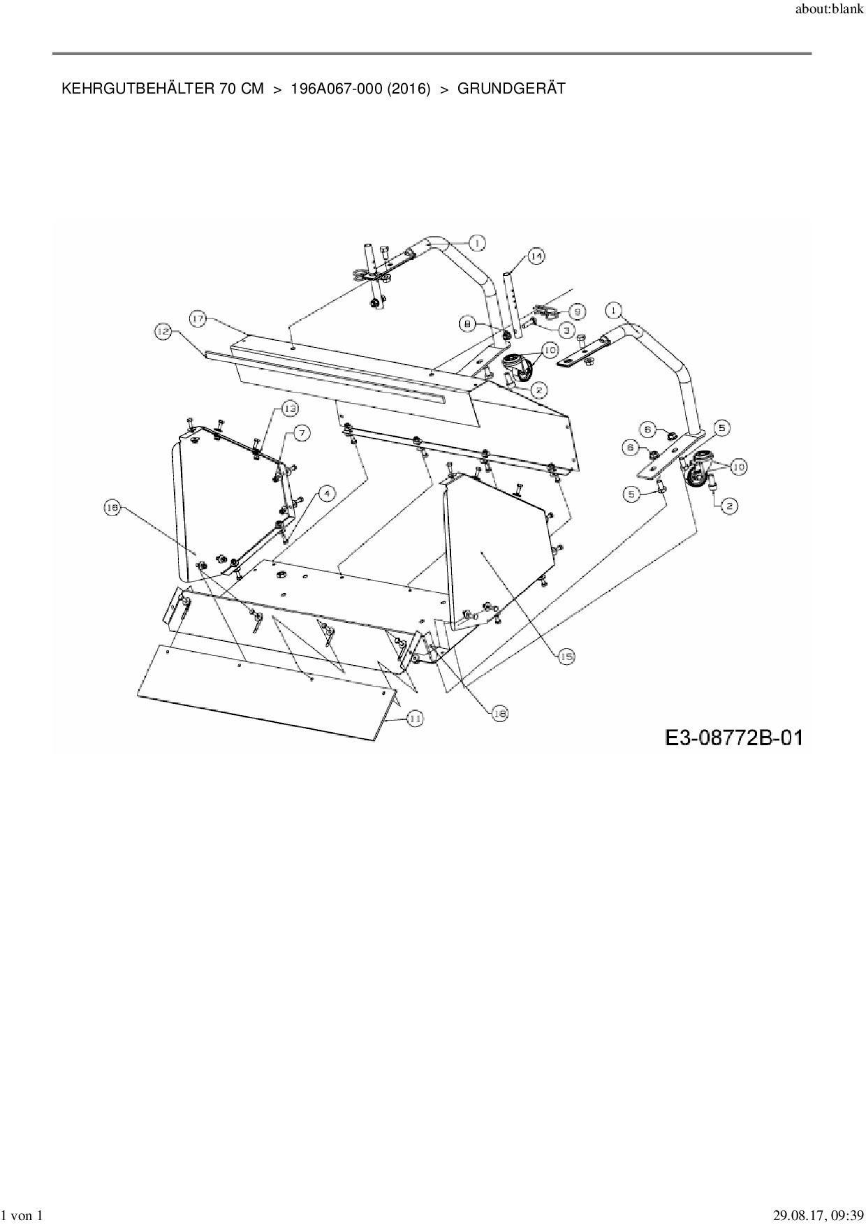
Zeichnung für Zubehör Kehrmaschinen Kehrgutbehälter Kehrgutbehälter 70 cm mit der Geräte-Artikelnr. 196A067-000 ab Baujahr 2016:

Zeichnung Grundgerät

Die Ersatzteil-Zeichnung für Kehrgutbehälter Zubehör Kehrmaschinen Kehrgutbehälter 70 cm als Download:
Download Ersatzteil-Zeichnung Zubehör Kehrmaschinen Kehrgutbehälter 70 cm Zeichnung Grundgerät (PDF-Format)
Download Ersatzteil-Zeichnung Zubehör Kehrmaschinen Kehrgutbehälter 70 cm Zeichnung Grundgerät (JPG-Format)

Sollten Sie Fragen zu einem Ersatzteil haben, können Sie uns gerne eine E-Mail (mit einem Foto vom Typenschild Ihres Gerätes) schreiben oder eine Ersatzteilanfrage stellen.

Ersatzteile für Kehrgutbehälter Zubehör Kehrmaschinen Kehrgutbehälter 70 cm aus der Zeichnung Grundgerät:
Artikel 1 - 10 von 14


Artikel 1 - 10 von 14