Grundgerät

Zeichnung für Zubehör handgeführte Geräte Streuer 45-02141 (190-524-000) mit der Geräte-Artikelnr. 190-524-000 ab Baujahr 2002:

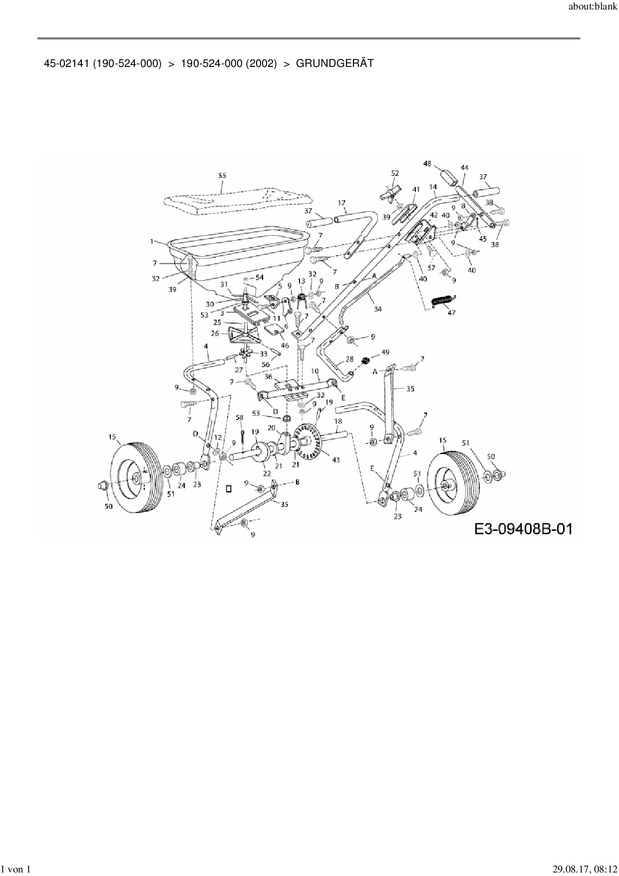
Zeichnung Grundgerät

Die Ersatzteil-Zeichnung für Streuer Zubehör handgeführte Geräte 45-02141 (190-524-000) als Download:
Download Ersatzteil-Zeichnung Zubehör handgeführte Geräte 45-02141 (190-524-000) Zeichnung Grundgerät (PDF-Format)
Download Ersatzteil-Zeichnung Zubehör handgeführte Geräte 45-02141 (190-524-000) Zeichnung Grundgerät (JPG-Format)

Sollten Sie Fragen zu einem Ersatzteil haben, können Sie uns gerne eine E-Mail (mit einem Foto vom Typenschild Ihres Gerätes) schreiben oder eine Ersatzteilanfrage stellen.

Ersatzteile für Streuer Zubehör handgeführte Geräte 45-02141 (190-524-000) aus der Zeichnung Grundgerät:
Artikel 1 - 10 von 35