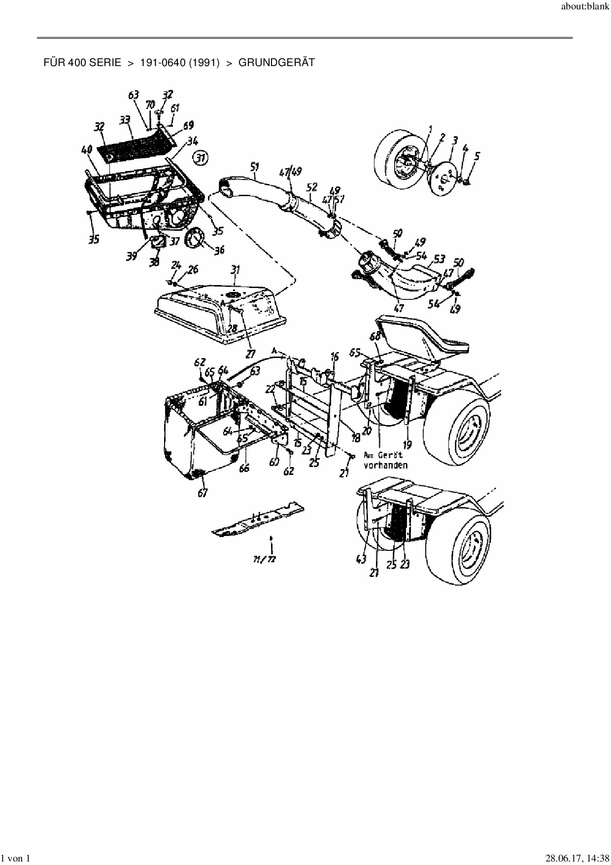
Grundgerät

Zeichnung für Zubehör Garten- und Rasentraktoren Grasfangvorrichtung für 400 Serie mit der Geräte-Artikelnr. 191-0640 ab Baujahr 1991:

Zeichnung Grundgerät

Die Ersatzteil-Zeichnung für Grasfangvorrichtung Zubehör Garten- und Rasentraktoren für 400 Serie als Download:
Download Ersatzteil-Zeichnung Zubehör Garten- und Rasentraktoren für 400 Serie Zeichnung Grundgerät (PDF-Format)
Download Ersatzteil-Zeichnung Zubehör Garten- und Rasentraktoren für 400 Serie Zeichnung Grundgerät (JPG-Format)

Sollten Sie Fragen zu einem Ersatzteil haben, können Sie uns gerne eine E-Mail (mit einem Foto vom Typenschild Ihres Gerätes) schreiben oder eine Ersatzteilanfrage stellen.

Ersatzteile für Grasfangvorrichtung Zubehör Garten- und Rasentraktoren für 400 Serie aus der Zeichnung Grundgerät:
Artikel 1 - 30 von 36


Artikel 1 - 30 von 36