Grundgerät

Zeichnung für Zubehör Garten- und Rasentraktoren Anhänger 45-0350 (196-511-000) mit der Geräte-Artikelnr. 196-511-000 ab Baujahr 2009:

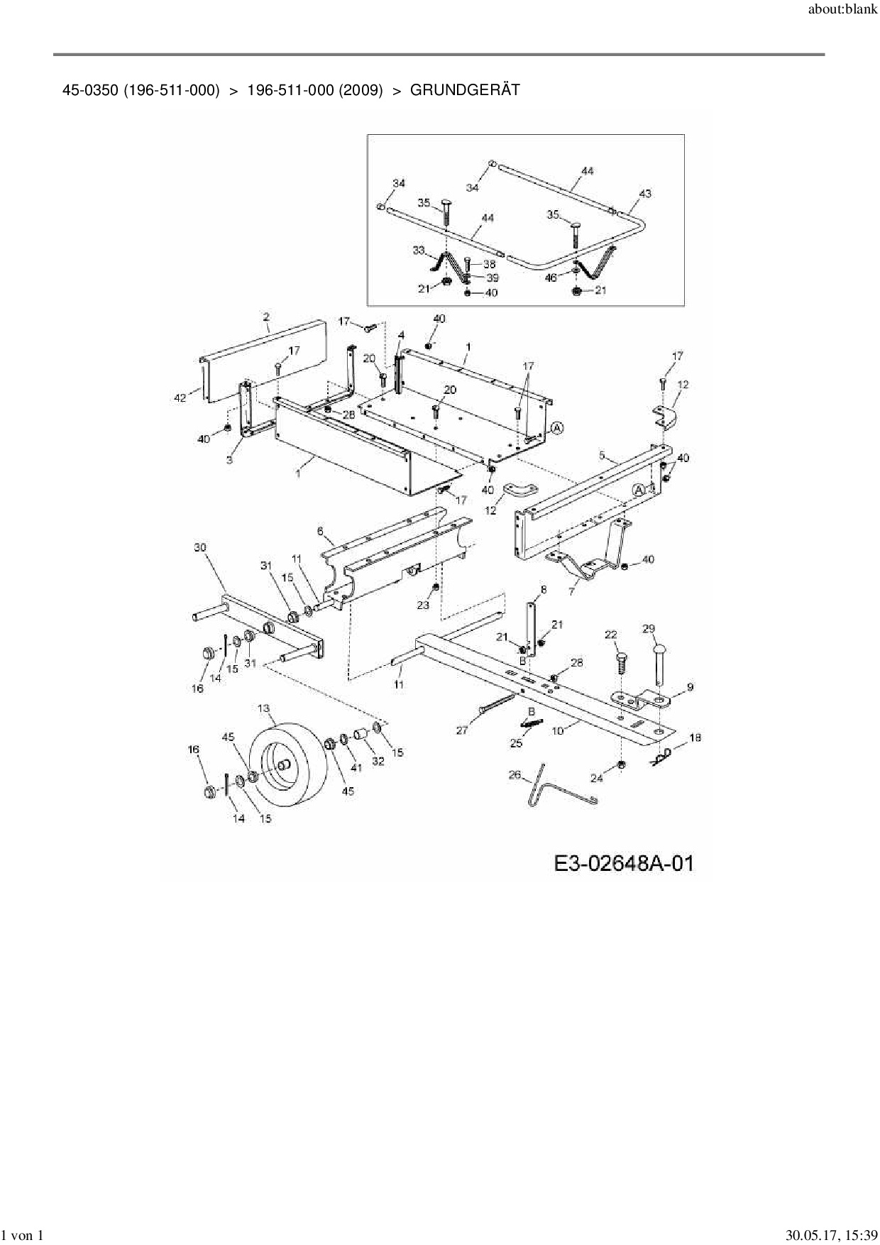
Zeichnung Grundgerät

Die Ersatzteil-Zeichnung für Anhänger Zubehör Garten- und Rasentraktoren 45-0350 (196-511-000) als Download:
Download Ersatzteil-Zeichnung Zubehör Garten- und Rasentraktoren 45-0350 (196-511-000) Zeichnung Grundgerät (PDF-Format)
Download Ersatzteil-Zeichnung Zubehör Garten- und Rasentraktoren 45-0350 (196-511-000) Zeichnung Grundgerät (JPG-Format)

Sollten Sie Fragen zu einem Ersatzteil haben, können Sie uns gerne eine E-Mail (mit einem Foto vom Typenschild Ihres Gerätes) schreiben oder eine Ersatzteilanfrage stellen.

Ersatzteile für Anhänger Zubehör Garten- und Rasentraktoren 45-0350 (196-511-000) aus der Zeichnung Grundgerät:
Artikel 1 - 29 von 29


Artikel 1 - 29 von 29