Grundgerät

Zeichnung für Zubehör Garten- und Rasentraktoren Anhänger 45-01716A-100 (196-541-000) mit der Geräte-Artikelnr. 196-541-000 ab Baujahr 2015:

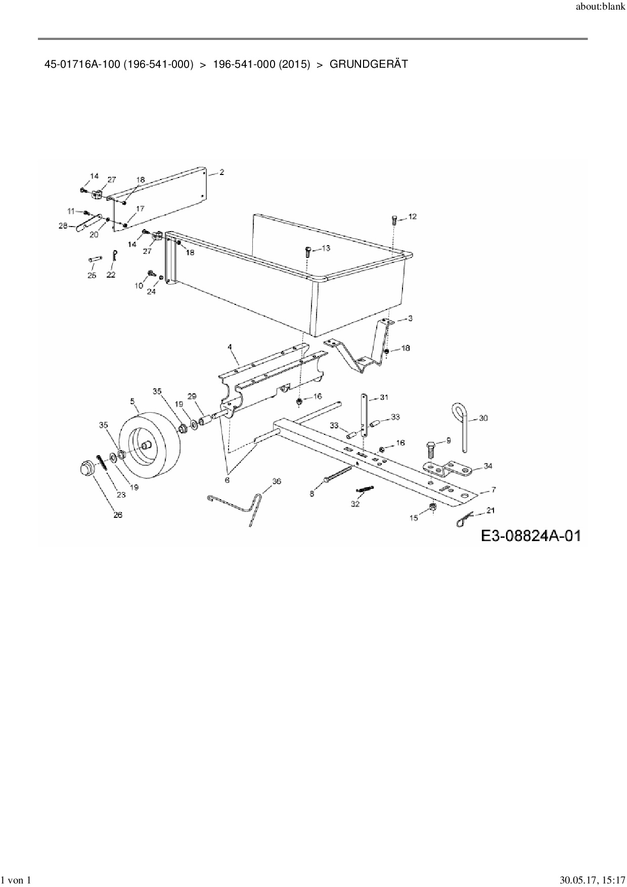
Zeichnung Grundgerät

Die Ersatzteil-Zeichnung für Anhänger Zubehör Garten- und Rasentraktoren 45-01716A-100 (196-541-000) als Download:
Download Ersatzteil-Zeichnung Zubehör Garten- und Rasentraktoren 45-01716A-100 (196-541-000) Zeichnung Grundgerät (PDF-Format)
Download Ersatzteil-Zeichnung Zubehör Garten- und Rasentraktoren 45-01716A-100 (196-541-000) Zeichnung Grundgerät (JPG-Format)

Sollten Sie Fragen zu einem Ersatzteil haben, können Sie uns gerne eine E-Mail (mit einem Foto vom Typenschild Ihres Gerätes) schreiben oder eine Ersatzteilanfrage stellen.

Ersatzteile für Anhänger Zubehör Garten- und Rasentraktoren 45-01716A-100 (196-541-000) aus der Zeichnung Grundgerät:
Artikel 1 - 20 von 24


Artikel 1 - 20 von 24