Grundgerät

Zeichnung für Yard-Man Motormäher mit Antrieb YM 5018 SP mit der Geräte-Artikelnr. 12C-T38M643 ab Baujahr 2003:

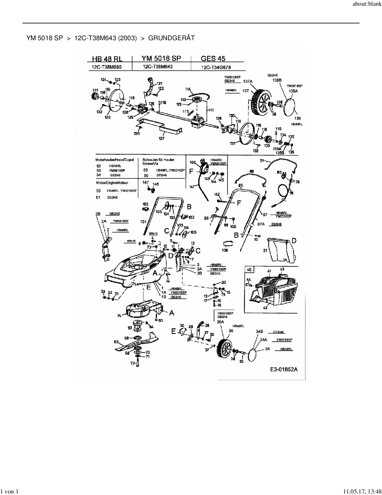
Zeichnung Grundgerät

Die Ersatzteil-Zeichnung für Motormäher mit Antrieb Yard-Man YM 5018 SP als Download:
Download Ersatzteil-Zeichnung Yard-Man YM 5018 SP Zeichnung Grundgerät (PDF-Format)
Download Ersatzteil-Zeichnung Yard-Man YM 5018 SP Zeichnung Grundgerät (JPG-Format)

Sollten Sie Fragen zu einem Ersatzteil haben, können Sie uns gerne eine E-Mail (mit einem Foto vom Typenschild Ihres Gerätes) schreiben oder eine Ersatzteilanfrage stellen.

Ersatzteile für Motormäher mit Antrieb Yard-Man YM 5018 SP aus der Zeichnung Grundgerät:
Artikel 1 - 50 von 85

4,88 € *
Lieferzeit: 2 - 10 Werktage
12,88 € *
Lieferzeit: 2 - 10 Werktage
29,88 € *
Lieferzeit: 2 - 10 Werktage
5,88 € *
Lieferzeit: 2 - 10 Werktage

Artikel 1 - 50 von 85