Grundgerät

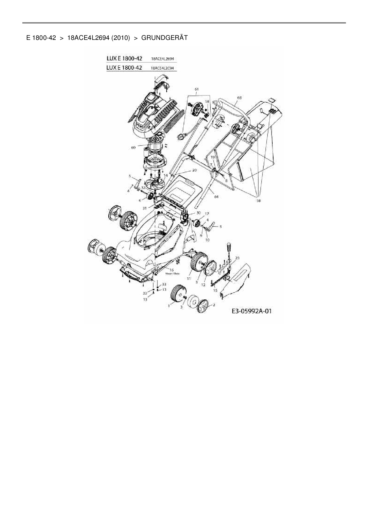
Zeichnung für Lux Tools Elektromäher E 1800-42 mit der Geräte-Artikelnr. 18ACE4L2694 ab Baujahr 2010:

Zeichnung Grundgerät

Die Ersatzteil-Zeichnung für Elektromäher Lux Tools E 1800-42 als Download:
Download Ersatzteil-Zeichnung Lux Tools E 1800-42 Zeichnung Grundgerät (PDF-Format)
Download Ersatzteil-Zeichnung Lux Tools E 1800-42 Zeichnung Grundgerät (JPG-Format)

Sollten Sie Fragen zu einem Ersatzteil haben, können Sie uns gerne eine E-Mail (mit einem Foto vom Typenschild Ihres Gerätes) schreiben oder eine Ersatzteilanfrage stellen.

Ersatzteile für Elektromäher Lux Tools E 1800-42 aus der Zeichnung Grundgerät:
Artikel 1 - 29 von 29

24,28 € *
Lieferzeit: 2 - 10 Werktage
11,92 € *
Lieferzeit: 2 - 10 Werktage
6,88 € *
Lieferzeit: 2 - 10 Werktage
5,88 € *
Lieferzeit: 2 - 10 Werktage
10,88 € *
Lieferzeit: 2 - 10 Werktage
12,98 € *
Lieferzeit: 2 - 10 Werktage
8,88 € *
Lieferzeit: 2 - 10 Werktage
5,88 € *
Lieferzeit: 2 - 10 Werktage
6,88 € *
Lieferzeit: 2 - 10 Werktage
5,88 € *
Lieferzeit: 2 - 10 Werktage
21,54 € *
Lieferzeit: 2 - 10 Werktage
14,14 € *
Lieferzeit: 2 - 10 Werktage
5,88 € *
Lieferzeit: 2 - 10 Werktage
18,84 € *
Lieferzeit: 2 - 10 Werktage
7,40 € *
Lieferzeit: 2 - 10 Werktage
34,74 € *
Lieferzeit: 2 - 10 Werktage
12,98 € *
Lieferzeit: 2 - 10 Werktage
4,88 € *
Lieferzeit: 2 - 10 Werktage
5,88 € *
Lieferzeit: 2 - 10 Werktage
13,88 € *
Lieferzeit: 2 - 10 Werktage
11,65 € *
Lieferzeit: 2 - 10 Werktage
11,65 € *
Lieferzeit: 2 - 10 Werktage
10,88 € *
Lieferzeit: 2 - 10 Werktage
5,88 € *
Lieferzeit: 2 - 10 Werktage
76,76 € *
Lieferzeit: 2 - 10 Werktage
100,90 € *
Lieferzeit: 2 - 10 Werktage
28,55 € *
Lieferzeit: 2 - 10 Werktage
25,92 € *
Lieferzeit: 2 - 10 Werktage
24,40 € *
Lieferzeit: 2 - 10 Werktage

Artikel 1 - 29 von 29