Grundgerät

Zeichnung für Hanseatic Elektrovertikutierer VE 30 mit der Geräte-Artikelnr. 16AF11CA621 ab Baujahr 2006:

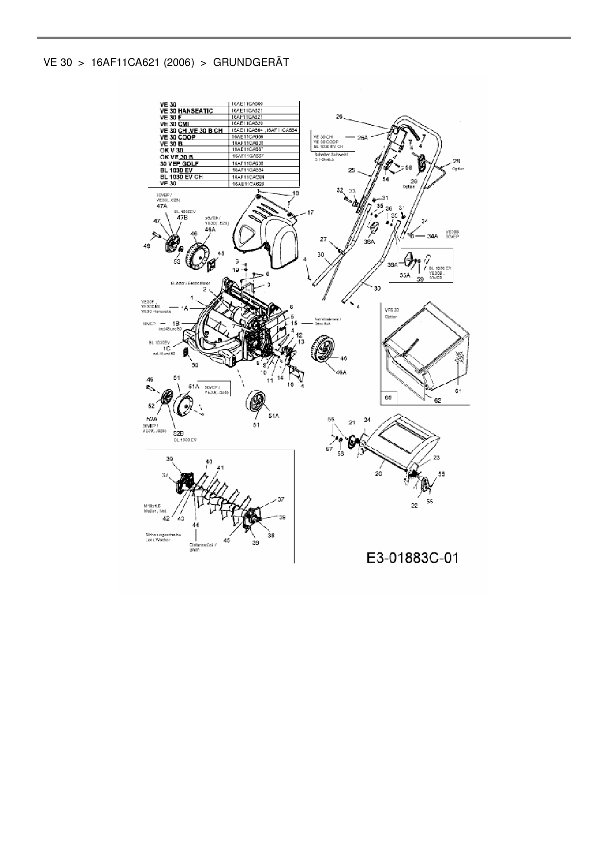
Zeichnung Grundgerät

Die Ersatzteil-Zeichnung für Elektrovertikutierer Hanseatic VE 30 als Download:
Download Ersatzteil-Zeichnung Hanseatic VE 30 Zeichnung Grundgerät (PDF-Format)
Download Ersatzteil-Zeichnung Hanseatic VE 30 Zeichnung Grundgerät (JPG-Format)

Sollten Sie Fragen zu einem Ersatzteil haben, können Sie uns gerne eine E-Mail (mit einem Foto vom Typenschild Ihres Gerätes) schreiben oder eine Ersatzteilanfrage stellen.

Ersatzteile für Elektrovertikutierer Hanseatic VE 30 aus der Zeichnung Grundgerät:
Artikel 1 - 10 von 71

62,20 € *
Lieferzeit: 2 - 10 Werktage
75,70 € *
Lieferzeit: 2 - 10 Werktage
11,88 € *
Lieferzeit: 2 - 10 Werktage
7,88 € *
Lieferzeit: 2 - 10 Werktage
7,88 € *
Lieferzeit: 2 - 10 Werktage
27,32 € *
Lieferzeit: 2 - 10 Werktage
4,88 € *
Lieferzeit: 2 - 10 Werktage