Grundgerät

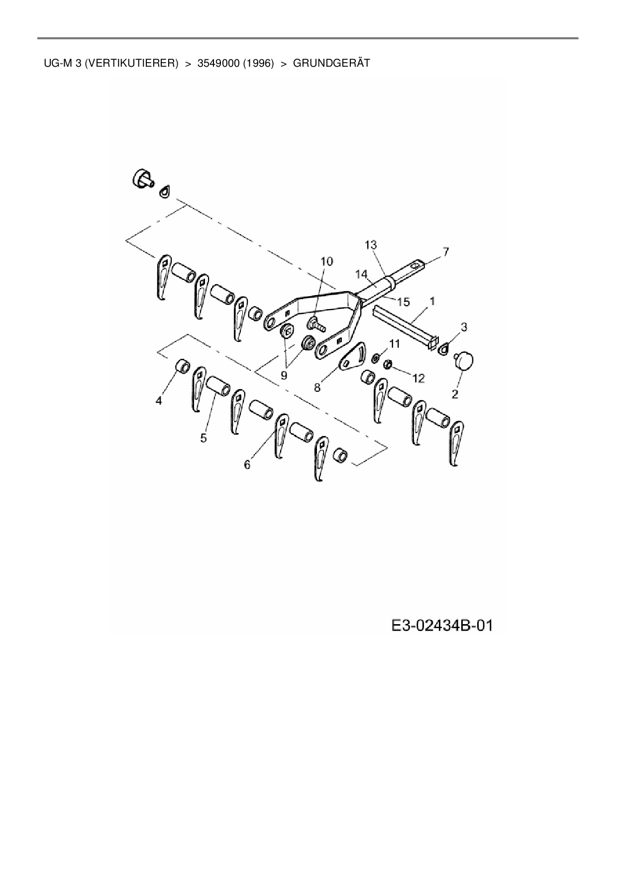
Zeichnung für Wolf-Garten multi-star® - Rasenpflege UG-M 3 (Vertikutierer) mit der Geräte-Artikelnr. 3549000 ab Baujahr 1996:

Zeichnung Grundgerät

Die Ersatzteil-Zeichnung für multi-star® - Rasenpflege Wolf-Garten UG-M 3 (Vertikutierer) als Download:
Download Ersatzteil-Zeichnung Wolf-Garten UG-M 3 (Vertikutierer) Zeichnung Grundgerät (PDF-Format)
Download Ersatzteil-Zeichnung Wolf-Garten UG-M 3 (Vertikutierer) Zeichnung Grundgerät (JPG-Format)

Sollten Sie Fragen zu einem Ersatzteil haben, können Sie uns gerne eine E-Mail (mit einem Foto vom Typenschild Ihres Gerätes) schreiben oder eine Ersatzteilanfrage stellen.

Ersatzteile für multi-star® - Rasenpflege Wolf-Garten UG-M 3 (Vertikutierer) aus der Zeichnung Grundgerät:
Artikel 1 - 4 von 4


Artikel 1 - 4 von 4