Grundgerät

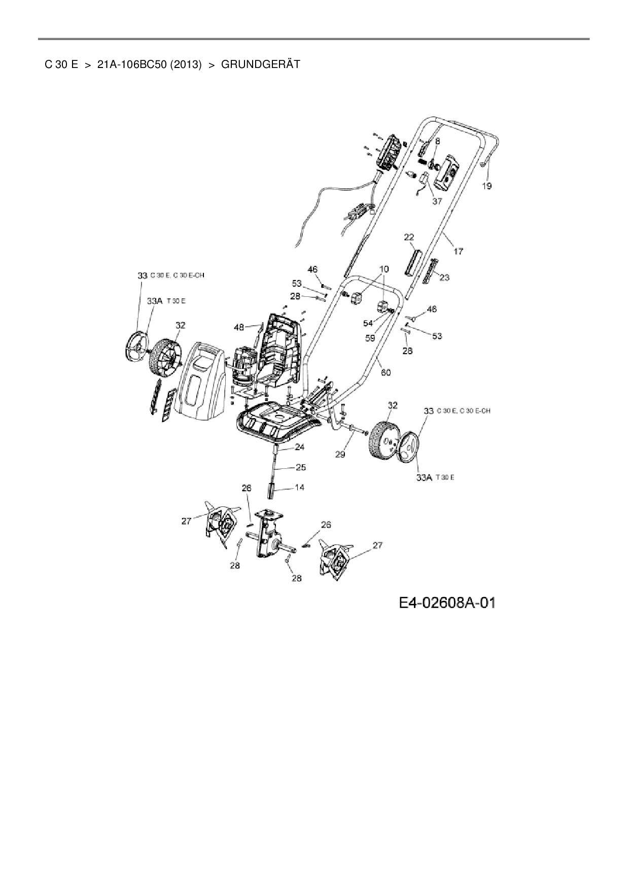
Zeichnung für Wolf-Garten Motorhacke C 30 E mit der Geräte-Artikelnr. 21A-106BC50 ab Baujahr 2013:

Zeichnung Grundgerät

Die Ersatzteil-Zeichnung für Motorhacke Wolf-Garten C 30 E als Download:
Download Ersatzteil-Zeichnung Wolf-Garten C 30 E Zeichnung Grundgerät (PDF-Format)
Download Ersatzteil-Zeichnung Wolf-Garten C 30 E Zeichnung Grundgerät (JPG-Format)

Sollten Sie Fragen zu einem Ersatzteil haben, können Sie uns gerne eine E-Mail (mit einem Foto vom Typenschild Ihres Gerätes) schreiben oder eine Ersatzteilanfrage stellen.

Ersatzteile für Motorhacke Wolf-Garten C 30 E aus der Zeichnung Grundgerät:
Artikel 1 - 19 von 19

8,88 € *
Lieferzeit: 2 - 10 Werktage
8,88 € *
Lieferzeit: 2 - 10 Werktage
21,14 € *
Lieferzeit: 2 - 10 Werktage
61,82 € *
Lieferzeit: 2 - 10 Werktage
27,85 € *
Lieferzeit: 2 - 10 Werktage
10,32 € *
Lieferzeit: 2 - 10 Werktage
9,88 € *
Lieferzeit: 2 - 10 Werktage
25,11 € *
Lieferzeit: 2 - 10 Werktage
28,76 € *
Lieferzeit: 2 - 10 Werktage
4,88 € *
Lieferzeit: 2 - 10 Werktage
115,76 € *
Lieferzeit: 2 - 10 Werktage
7,98 € *
Lieferzeit: 2 - 10 Werktage
43,58 € *
Lieferzeit: 2 - 10 Werktage
21,54 € *
Lieferzeit: 2 - 10 Werktage
8,88 € *
Lieferzeit: 2 - 10 Werktage
14,14 € *
Lieferzeit: 2 - 10 Werktage
4,88 € *
Lieferzeit: 2 - 10 Werktage
30,46 € *
Lieferzeit: 2 - 10 Werktage
39,24 € *
Lieferzeit: 2 - 10 Werktage

Artikel 1 - 19 von 19