Grundgerät

Zeichnung für Bestgreen Rasentraktor BM 1392 HRBK mit der Geräte-Artikelnr. 13AH711E655 ab Baujahr ab 19.01.2012:

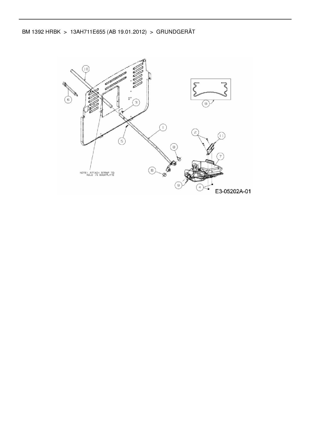
Zeichnung Grundgerät

Die Ersatzteil-Zeichnung für Rasentraktor Bestgreen BM 1392 HRBK als Download:
Download Ersatzteil-Zeichnung Bestgreen BM 1392 HRBK Zeichnung Grundgerät (PDF-Format)
Download Ersatzteil-Zeichnung Bestgreen BM 1392 HRBK Zeichnung Grundgerät (JPG-Format)

Sollten Sie Fragen zu einem Ersatzteil haben, können Sie uns gerne eine E-Mail (mit einem Foto vom Typenschild Ihres Gerätes) schreiben oder eine Ersatzteilanfrage stellen.

Ersatzteile für Rasentraktor Bestgreen BM 1392 HRBK aus der Zeichnung Grundgerät:
Artikel 1 - 8 von 8

5,88 € *
Lieferzeit: 2 - 10 Werktage
4,88 € *
Lieferzeit: 2 - 10 Werktage
12,05 € *
Lieferzeit: 2 - 10 Werktage
70,58 € *
Lieferzeit: 2 - 10 Werktage
30,55 € *
Lieferzeit: 2 - 10 Werktage

Artikel 1 - 8 von 8