Grundgerät

Zeichnung für Wolf-Garten Elektromäher A 400 E mit der Geräte-Artikelnr. 18AKMJL2650 ab Baujahr 2016:

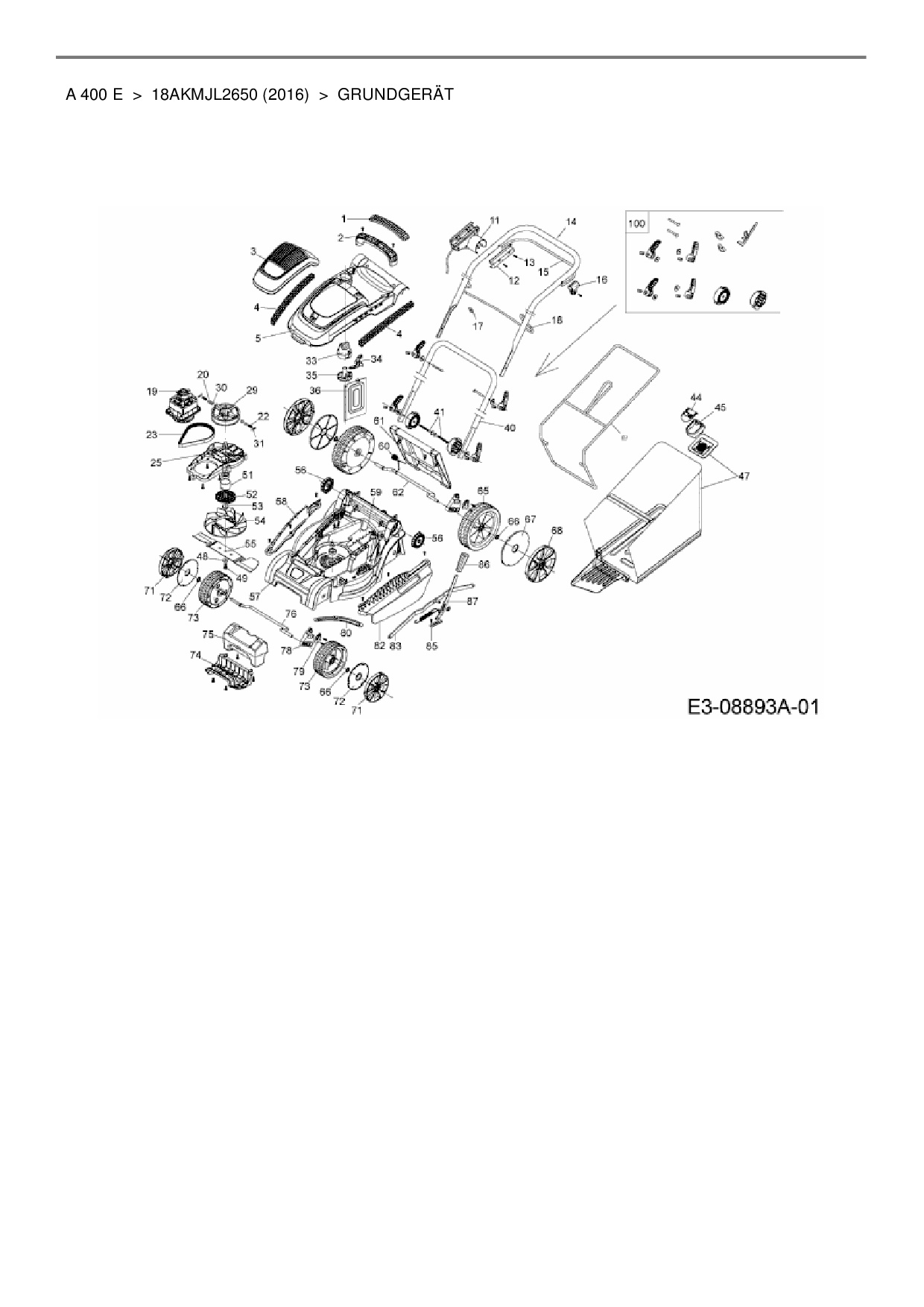
Zeichnung Grundgerät

Die Ersatzteil-Zeichnung für Elektromäher Wolf-Garten A 400 E als Download:
Download Ersatzteil-Zeichnung Wolf-Garten A 400 E Zeichnung Grundgerät (PDF-Format)
Download Ersatzteil-Zeichnung Wolf-Garten A 400 E Zeichnung Grundgerät (JPG-Format)

Sollten Sie Fragen zu einem Ersatzteil haben, können Sie uns gerne eine E-Mail (mit einem Foto vom Typenschild Ihres Gerätes) schreiben oder eine Ersatzteilanfrage stellen.

Ersatzteile für Elektromäher Wolf-Garten A 400 E aus der Zeichnung Grundgerät:
Artikel 1 - 20 von 62

5,70 € *
Lieferzeit: 2 - 10 Werktage
6,88 € *
Lieferzeit: 2 - 10 Werktage
10,20 € *
Lieferzeit: 2 - 10 Werktage
5,88 € *
Lieferzeit: 2 - 10 Werktage
25,11 € *
Lieferzeit: 2 - 10 Werktage
40,22 € *
Lieferzeit: 2 - 10 Werktage
5,88 € *
Lieferzeit: 2 - 10 Werktage
33,45 € *
Lieferzeit: 2 - 10 Werktage
19,93 € *
Lieferzeit: 2 - 10 Werktage
13,56 € *
Lieferzeit: 2 - 10 Werktage
5,88 € *
Lieferzeit: 2 - 10 Werktage
17,43 € *
Lieferzeit: 2 - 10 Werktage
254,62 € *
Lieferzeit: 2 - 10 Werktage
9,88 € *
Lieferzeit: 2 - 10 Werktage
4,88 € *
Lieferzeit: 2 - 10 Werktage
21,68 € *
Lieferzeit: 2 - 10 Werktage
23,61 € *
Lieferzeit: 2 - 10 Werktage
21,16 € *
Lieferzeit: 2 - 10 Werktage
9,88 € *
Lieferzeit: 2 - 10 Werktage
5,88 € *
Lieferzeit: 2 - 10 Werktage