Grundgerät

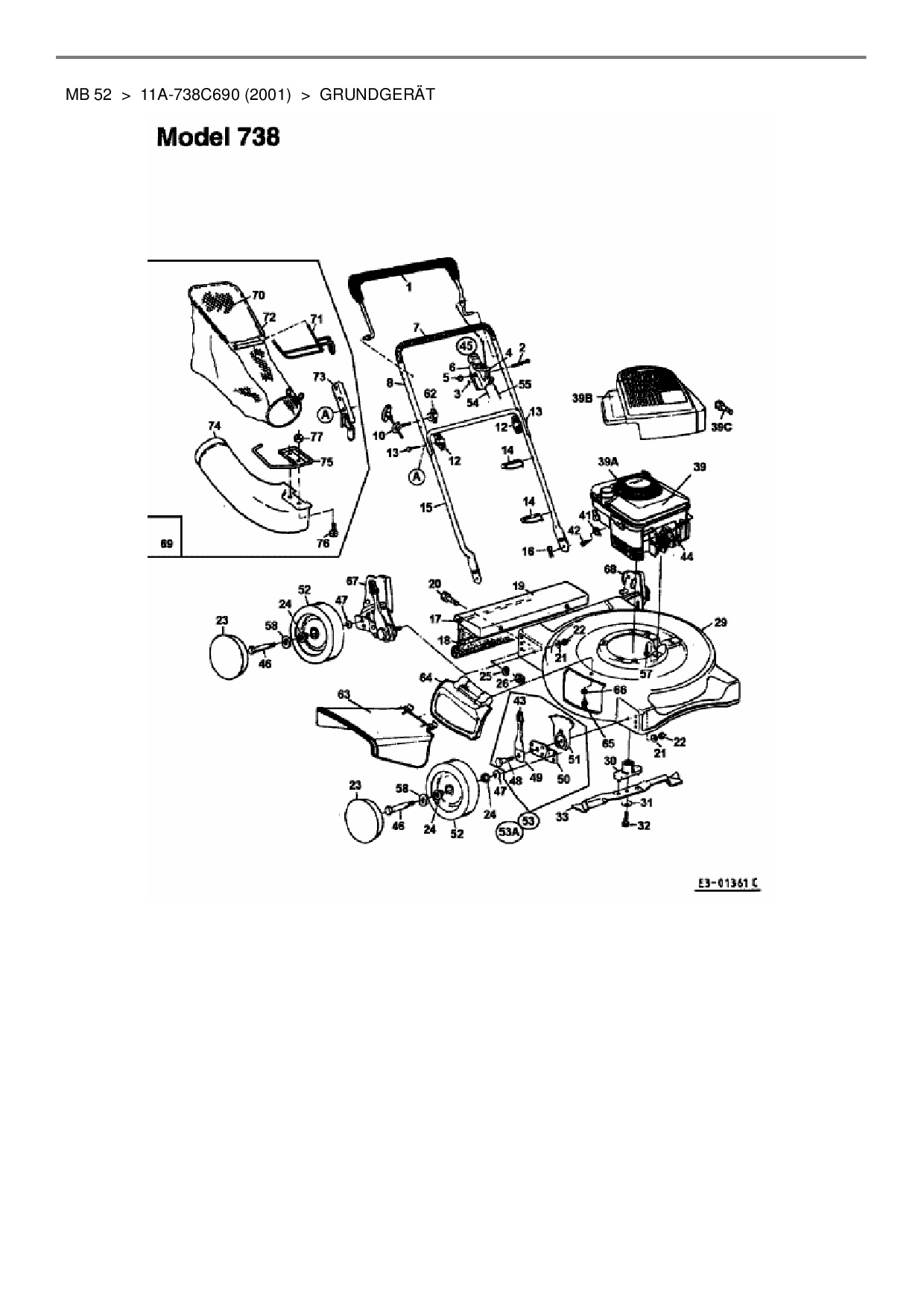
Zeichnung für Gutbrod Motormäher MB 52 mit der Geräte-Artikelnr. 11A-738C690 ab Baujahr 2001:

Zeichnung Grundgerät

Die Ersatzteil-Zeichnung für Motormäher Gutbrod MB 52 als Download:
Download Ersatzteil-Zeichnung Gutbrod MB 52 Zeichnung Grundgerät (PDF-Format)
Download Ersatzteil-Zeichnung Gutbrod MB 52 Zeichnung Grundgerät (JPG-Format)

Sollten Sie Fragen zu einem Ersatzteil haben, können Sie uns gerne eine E-Mail (mit einem Foto vom Typenschild Ihres Gerätes) schreiben oder eine Ersatzteilanfrage stellen.

Ersatzteile für Motormäher Gutbrod MB 52 aus der Zeichnung Grundgerät:
Artikel 1 - 20 von 50

61,84 € *
Lieferzeit: 2 - 10 Werktage
19,20 € *
Lieferzeit: 2 - 10 Werktage
11,92 € *
Lieferzeit: 2 - 10 Werktage
5,88 € *
Lieferzeit: 2 - 10 Werktage
14,64 € *
Lieferzeit: 2 - 10 Werktage
5,88 € *
Lieferzeit: 2 - 10 Werktage
20,08 € *
Lieferzeit: 2 - 10 Werktage
11,88 € *
Lieferzeit: 2 - 10 Werktage
5,88 € *
Lieferzeit: 2 - 10 Werktage
5,88 € *
Lieferzeit: 2 - 10 Werktage
5,88 € *
Lieferzeit: 2 - 10 Werktage
5,88 € *
Lieferzeit: 2 - 10 Werktage
41,36 € *
Lieferzeit: 2 - 10 Werktage
4,88 € *
Lieferzeit: 2 - 10 Werktage
5,88 € *
Lieferzeit: 2 - 10 Werktage
5,88 € *
Lieferzeit: 2 - 10 Werktage
5,88 € *
Lieferzeit: 2 - 10 Werktage
9,88 € *
Lieferzeit: 2 - 10 Werktage
16,72 € *
Lieferzeit: 2 - 10 Werktage
11,88 € *
Lieferzeit: 2 - 10 Werktage

Artikel 1 - 20 von 50