Grundgerät(1)

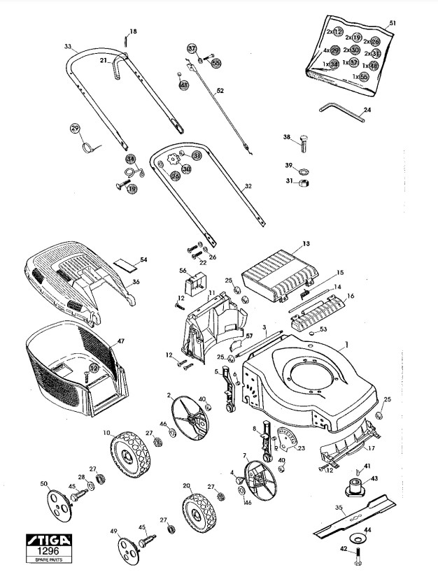
Zeichnung von Mountfield Benzinrasenmäher ab 2001 10118 (Geräte Nr.: 324416):

Klicken Sie auf diese Zeichnung

Sollten Sie Fragen zu einem Ersatzteil haben, können Sie uns gerne eine Ersatzteilanfrage stellen.

Hier finden Sie alle Ersatzteile von Mountfield Benzinrasenmäher ab 2001 10118 (Geräte Nr.: 324416) aus der Zeichnung Grundgerät(1):
Artikel 1 - 20 von 40


Artikel 1 - 20 von 40