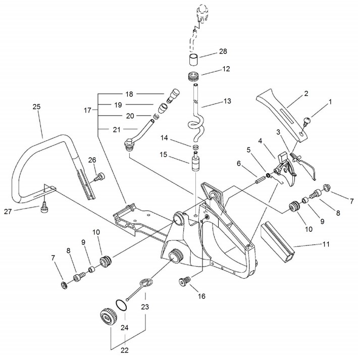
Griffe, Benzintank

Zeichnung von ECHO Motorsägen CS-420ES CS-420ES ab S.-Nr.: 37000001 Griffe, Benzintank:

Klicken Sie auf diese Zeichnung

Sollten Sie Fragen zu einem Ersatzteil haben, können Sie uns gerne eine Ersatzteilanfrage stellen.

Hier finden Sie alle Ersatzteile von ECHO Motorsägen CS-420ES CS-420ES ab S.-Nr.: 37000001:
Artikel 1 - 16 von 16


Artikel 1 - 16 von 16