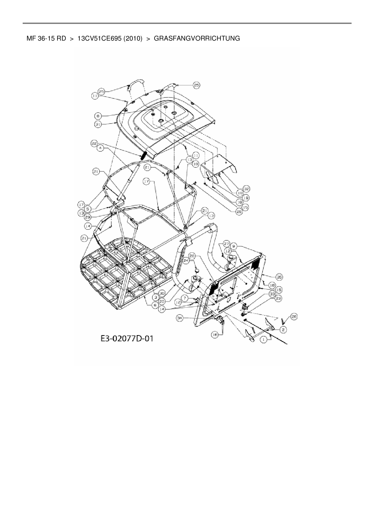
Grasfangvorrichtung

Zeichnung für Massey Ferguson Rasentraktor MF 36-15 RD mit der Geräte-Artikelnr. 13CV51CE695 ab Baujahr 2010:

Zeichnung Grasfangvorrichtung

Die Ersatzteil-Zeichnung für Rasentraktor Massey Ferguson MF 36-15 RD als Download:
Download Ersatzteil-Zeichnung Massey Ferguson MF 36-15 RD Zeichnung Grasfangvorrichtung (PDF-Format)
Download Ersatzteil-Zeichnung Massey Ferguson MF 36-15 RD Zeichnung Grasfangvorrichtung (JPG-Format)

Sollten Sie Fragen zu einem Ersatzteil haben, können Sie uns gerne eine E-Mail (mit einem Foto vom Typenschild Ihres Gerätes) schreiben oder eine Ersatzteilanfrage stellen.

Ersatzteile für Rasentraktor Massey Ferguson MF 36-15 RD aus der Zeichnung Grasfangvorrichtung:
Artikel 1 - 30 von 33

27,66 € *
Lieferzeit: 2 - 10 Werktage
194,94 € *
Lieferzeit: 2 - 10 Werktage
14,96 € *
Lieferzeit: 2 - 10 Werktage
13,61 € *
Lieferzeit: 2 - 10 Werktage

Artikel 1 - 30 von 33