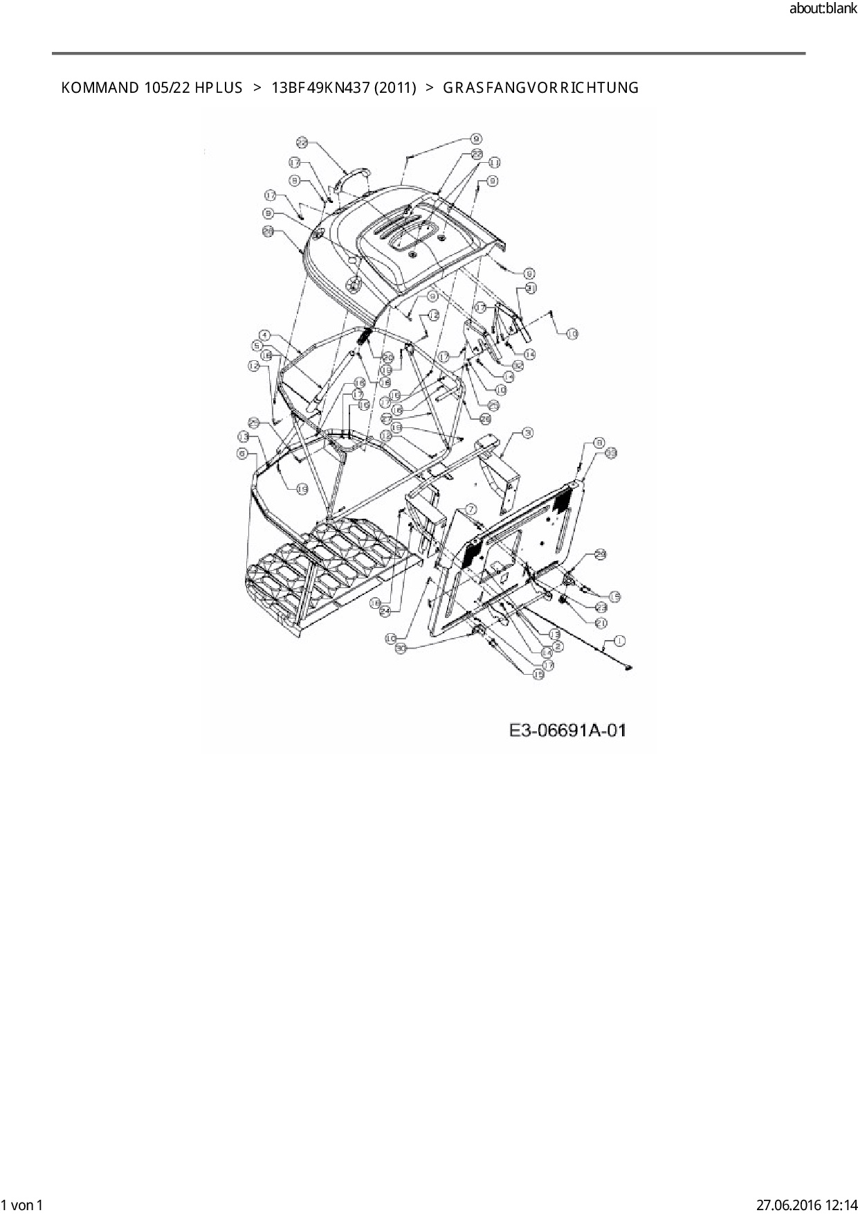
Grasfangvorrichtung

Zeichnung für EFCO Rasentraktor Kommand 105/22 HPlus mit der Geräte-Artikelnr. 13BF49KN437 ab Baujahr 2011:

Zeichnung Grasfangvorrichtung

Die Ersatzteil-Zeichnung für Rasentraktor EFCO Kommand 105/22 HPlus als Download:
Download Ersatzteil-Zeichnung EFCO Kommand 105/22 HPlus Zeichnung Grasfangvorrichtung (PDF-Format)
Download Ersatzteil-Zeichnung EFCO Kommand 105/22 HPlus Zeichnung Grasfangvorrichtung (JPG-Format)

Sollten Sie Fragen zu einem Ersatzteil haben, können Sie uns gerne eine E-Mail (mit einem Foto vom Typenschild Ihres Gerätes) schreiben oder eine Ersatzteilanfrage stellen.

Ersatzteile für Rasentraktor EFCO Kommand 105/22 HPlus aus der Zeichnung Grasfangvorrichtung:
Artikel 1 - 10 von 28


Artikel 1 - 10 von 28