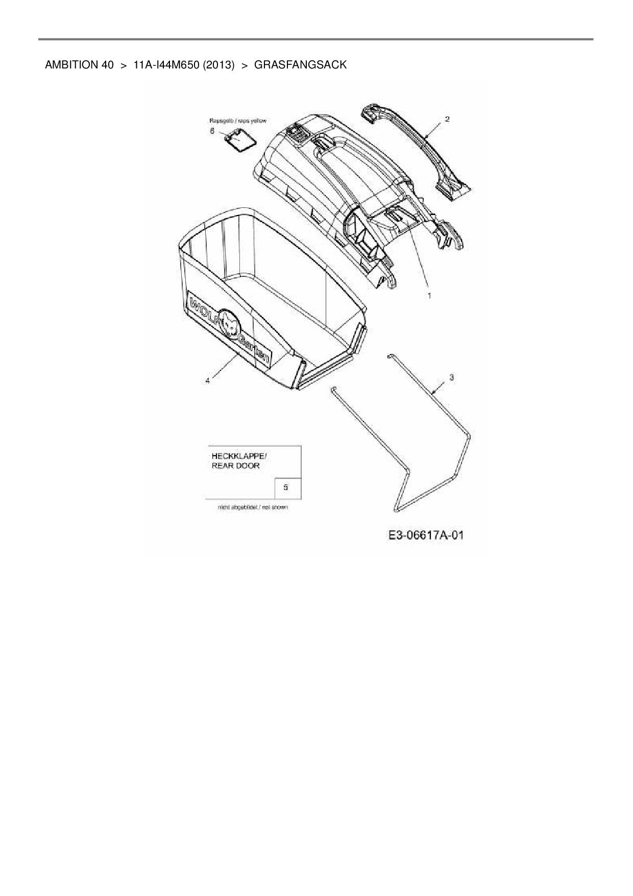
Grasfangsack

Zeichnung für Wolf-Garten Motormäher Ambition 40 mit der Geräte-Artikelnr. 11A-I44M650 ab Baujahr 2013:

Zeichnung Grasfangsack

Die Ersatzteil-Zeichnung für Motormäher Wolf-Garten Ambition 40 als Download:
Download Ersatzteil-Zeichnung Wolf-Garten Ambition 40 Zeichnung Grasfangsack (PDF-Format)
Download Ersatzteil-Zeichnung Wolf-Garten Ambition 40 Zeichnung Grasfangsack (JPG-Format)

Sollten Sie Fragen zu einem Ersatzteil haben, können Sie uns gerne eine E-Mail (mit einem Foto vom Typenschild Ihres Gerätes) schreiben oder eine Ersatzteilanfrage stellen.

Ersatzteile für Motormäher Wolf-Garten Ambition 40 aus der Zeichnung Grasfangsack:
Artikel 1 - 6 von 6

28,14 € *
Lieferzeit: 2 - 10 Werktage
15,88 € *
Lieferzeit: 2 - 10 Werktage
28,35 € *
Lieferzeit: 2 - 10 Werktage
54,92 € *
Lieferzeit: 2 - 10 Werktage
18,32 € *
Lieferzeit: 2 - 10 Werktage

Artikel 1 - 6 von 6