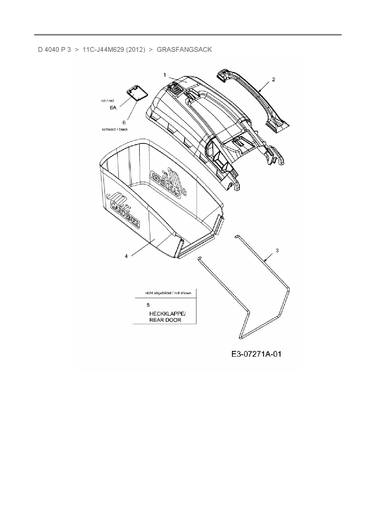
Grasfangsack

Zeichnung für Mr. Gardener Motormäher D 4040 P 3 mit der Geräte-Artikelnr. 11C-J44M629 ab Baujahr 2012:

Zeichnung Grasfangsack

Die Ersatzteil-Zeichnung für Motormäher Mr. Gardener D 4040 P 3 als Download:
Download Ersatzteil-Zeichnung Mr. Gardener D 4040 P 3 Zeichnung Grasfangsack (PDF-Format)
Download Ersatzteil-Zeichnung Mr. Gardener D 4040 P 3 Zeichnung Grasfangsack (JPG-Format)

Sollten Sie Fragen zu einem Ersatzteil haben, können Sie uns gerne eine E-Mail (mit einem Foto vom Typenschild Ihres Gerätes) schreiben oder eine Ersatzteilanfrage stellen.

Ersatzteile für Motormäher Mr. Gardener D 4040 P 3 aus der Zeichnung Grasfangsack:
Artikel 1 - 4 von 4


Artikel 1 - 4 von 4