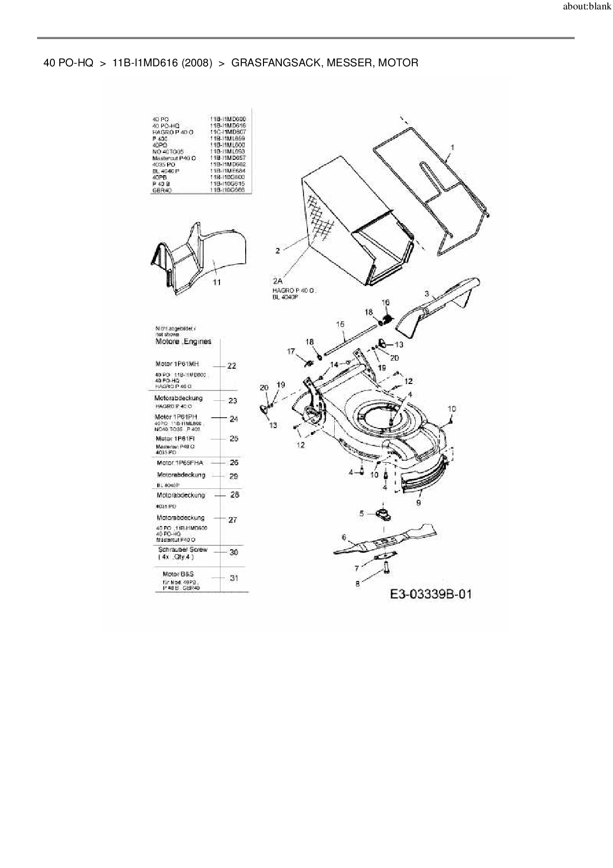
Grasfangsack, Messer, Motor

Zeichnung für MTD Motormäher 40 PO-HQ mit der Geräte-Artikelnr. 11B-I1MD616 ab Baujahr 2008:

Zeichnung Grasfangsack, Messer, Motor

Die Ersatzteil-Zeichnung für Motormäher MTD 40 PO-HQ als Download:
Download Ersatzteil-Zeichnung MTD 40 PO-HQ Zeichnung Grasfangsack, Messer, Motor (PDF-Format)
Download Ersatzteil-Zeichnung MTD 40 PO-HQ Zeichnung Grasfangsack, Messer, Motor (JPG-Format)

Sollten Sie Fragen zu einem Ersatzteil haben, können Sie uns gerne eine E-Mail (mit einem Foto vom Typenschild Ihres Gerätes) schreiben oder eine Ersatzteilanfrage stellen.

Ersatzteile für Motormäher MTD 40 PO-HQ aus der Zeichnung Grasfangsack, Messer, Motor:
Artikel 21 - 27 von 27

341,50 € *
Lieferzeit: 2 - 10 Werktage
333,40 € *
Lieferzeit: 2 - 10 Werktage
44,66 € *
Lieferzeit: 2 - 10 Werktage
12,00 € *
Lieferzeit: 2 - 10 Werktage
38,88 € *
Lieferzeit: 2 - 10 Werktage
4,88 € *
Lieferzeit: 2 - 10 Werktage
460,94 € *
Lieferzeit: 2 - 10 Werktage

Artikel 21 - 27 von 27