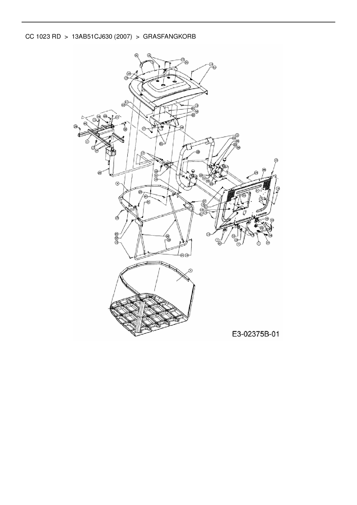
Grasfangkorb

Zeichnung für Cub Cadet Rasentraktor CC 1023 RD mit der Geräte-Artikelnr. 13AB51CJ630 ab Baujahr 2007:

Zeichnung Grasfangkorb

Die Ersatzteil-Zeichnung für Rasentraktor Cub Cadet CC 1023 RD als Download:
Download Ersatzteil-Zeichnung Cub Cadet CC 1023 RD Zeichnung Grasfangkorb (PDF-Format)
Download Ersatzteil-Zeichnung Cub Cadet CC 1023 RD Zeichnung Grasfangkorb (JPG-Format)

Sollten Sie Fragen zu einem Ersatzteil haben, können Sie uns gerne eine E-Mail (mit einem Foto vom Typenschild Ihres Gerätes) schreiben oder eine Ersatzteilanfrage stellen.

Ersatzteile für Rasentraktor Cub Cadet CC 1023 RD aus der Zeichnung Grasfangkorb:
Artikel 1 - 6 von 6


Artikel 1 - 6 von 6