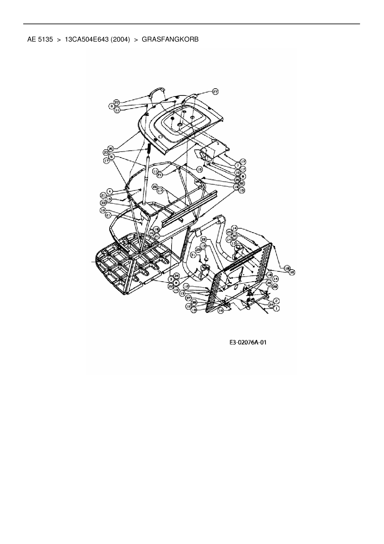
Grasfangkorb

Zeichnung für Yard-Man Rasentraktor AE 5135 mit der Geräte-Artikelnr. 13CA504E643 ab Baujahr 2004:

Zeichnung Grasfangkorb

Die Ersatzteil-Zeichnung für Rasentraktor Yard-Man AE 5135 als Download:
Download Ersatzteil-Zeichnung Yard-Man AE 5135 Zeichnung Grasfangkorb (PDF-Format)
Download Ersatzteil-Zeichnung Yard-Man AE 5135 Zeichnung Grasfangkorb (JPG-Format)

Sollten Sie Fragen zu einem Ersatzteil haben, können Sie uns gerne eine E-Mail (mit einem Foto vom Typenschild Ihres Gerätes) schreiben oder eine Ersatzteilanfrage stellen.

Ersatzteile für Rasentraktor Yard-Man AE 5135 aus der Zeichnung Grasfangkorb:
Artikel 21 - 30 von 32

14,96 € *
Lieferzeit: 2 - 10 Werktage
13,61 € *
Lieferzeit: 2 - 10 Werktage
5,88 € *
Lieferzeit: 2 - 10 Werktage
5,88 € *
Lieferzeit: 2 - 10 Werktage
11,45 € *
Lieferzeit: 2 - 10 Werktage
13,06 € *
Lieferzeit: 2 - 10 Werktage
5,88 € *
Lieferzeit: 2 - 10 Werktage
7,88 € *
Lieferzeit: 2 - 10 Werktage
4,88 € *
Lieferzeit: 2 - 10 Werktage
30,10 € *
Lieferzeit: 2 - 10 Werktage

Artikel 21 - 30 von 32