Grasfangeinrichtung

Zeichnung für Massey Ferguson Rasentraktor MF 41-22 RD mit der Geräte-Artikelnr. 13BF91CN695 ab Baujahr 2013:

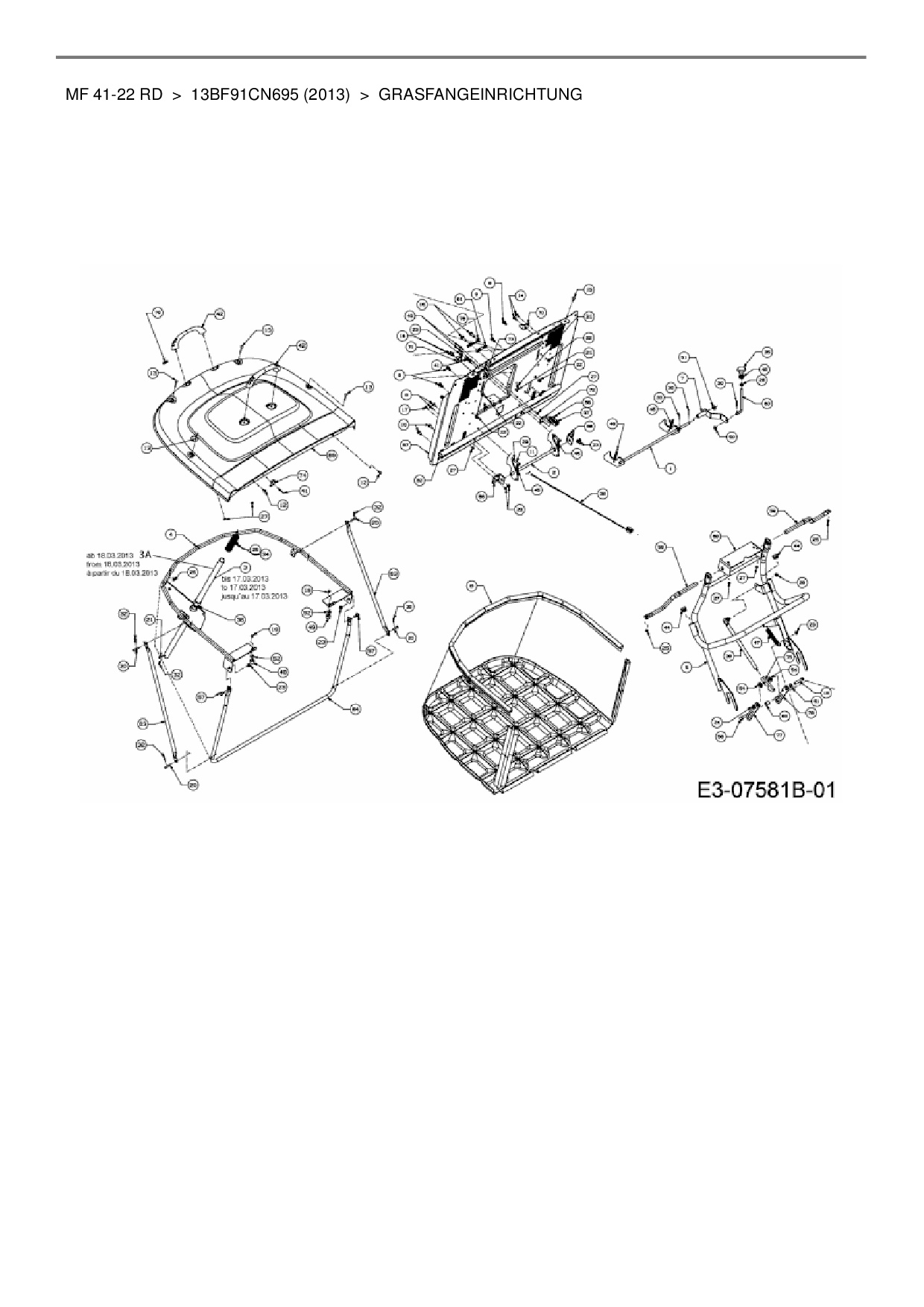
Zeichnung Grasfangeinrichtung

Die Ersatzteil-Zeichnung für Rasentraktor Massey Ferguson MF 41-22 RD als Download:
Download Ersatzteil-Zeichnung Massey Ferguson MF 41-22 RD Zeichnung Grasfangeinrichtung (PDF-Format)
Download Ersatzteil-Zeichnung Massey Ferguson MF 41-22 RD Zeichnung Grasfangeinrichtung (JPG-Format)

Sollten Sie Fragen zu einem Ersatzteil haben, können Sie uns gerne eine E-Mail (mit einem Foto vom Typenschild Ihres Gerätes) schreiben oder eine Ersatzteilanfrage stellen.

Ersatzteile für Rasentraktor Massey Ferguson MF 41-22 RD aus der Zeichnung Grasfangeinrichtung:
Artikel 1 - 20 von 78