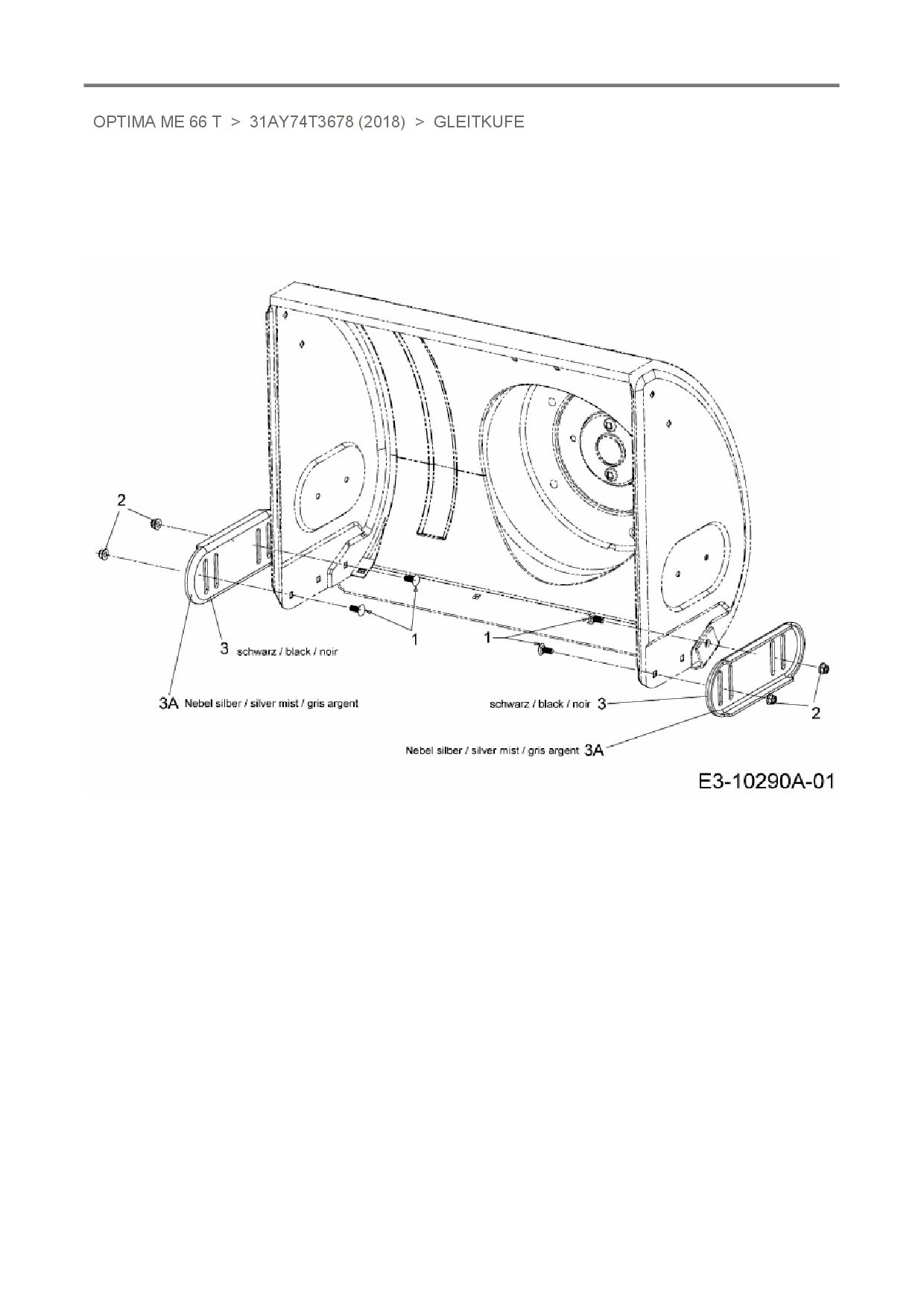
Gleitkufe

Zeichnung für MTD Schneefräse Optima ME 66 T mit der Geräte-Artikelnr. 31AY74T3678 ab Baujahr 2018:

Zeichnung Gleitkufe

Die Ersatzteil-Zeichnung für Schneefräse MTD Optima ME 66 T als Download:
Download Ersatzteil-Zeichnung MTD Optima ME 66 T Zeichnung Gleitkufe (PDF-Format)
Download Ersatzteil-Zeichnung MTD Optima ME 66 T Zeichnung Gleitkufe (JPG-Format)

Sollten Sie Fragen zu einem Ersatzteil haben, können Sie uns gerne eine E-Mail (mit einem Foto vom Typenschild Ihres Gerätes) schreiben oder eine Ersatzteilanfrage stellen.

Ersatzteile für Schneefräse MTD Optima ME 66 T aus der Zeichnung Gleitkufe:
Artikel 1 - 3 von 3

5,88 € *
Lieferzeit: 2 - 10 Werktage
5,92 € *
Lieferzeit: 2 - 10 Werktage
29,58 € *
Lieferzeit: 2 - 10 Werktage

Artikel 1 - 3 von 3