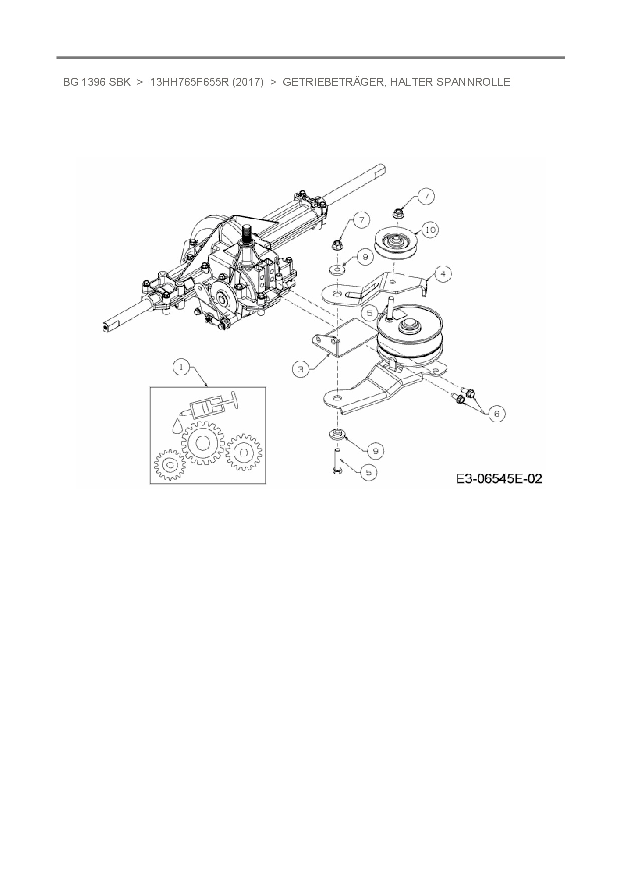
Getriebeträger, Halter Spannrolle

Zeichnung für Bestgreen Rasentraktor BG 1396 SBK mit der Geräte-Artikelnr. 13HH765F655R ab Baujahr 2017:

Zeichnung Getriebeträger, Halter Spannrolle

Die Ersatzteil-Zeichnung für Rasentraktor Bestgreen BG 1396 SBK als Download:
Download Ersatzteil-Zeichnung Bestgreen BG 1396 SBK Zeichnung Getriebeträger, Halter Spannrolle (PDF-Format)
Download Ersatzteil-Zeichnung Bestgreen BG 1396 SBK Zeichnung Getriebeträger, Halter Spannrolle (JPG-Format)

Sollten Sie Fragen zu einem Ersatzteil haben, können Sie uns gerne eine E-Mail (mit einem Foto vom Typenschild Ihres Gerätes) schreiben oder eine Ersatzteilanfrage stellen.

Ersatzteile für Rasentraktor Bestgreen BG 1396 SBK aus der Zeichnung Getriebeträger, Halter Spannrolle:
Artikel 1 - 7 von 7

31,88 € *
Lieferzeit: 2 - 10 Werktage
81,06 € *
Lieferzeit: 2 - 10 Werktage
5,88 € *
Lieferzeit: 2 - 10 Werktage
5,88 € *
Lieferzeit: 2 - 10 Werktage
5,88 € *
Lieferzeit: 2 - 10 Werktage
7,36 € *
Lieferzeit: 2 - 10 Werktage
42,86 € *
Lieferzeit: 2 - 10 Werktage

Artikel 1 - 7 von 7