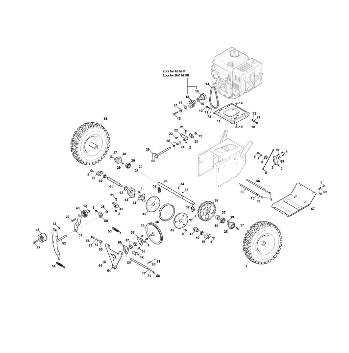
Getriebegruppe (2)

Zeichnung von Castelgarden Zweistufige Benzin SNC 62 PB (2S2620003/C20) ab 2020:

Klicken Sie auf diese Zeichnung

Sollten Sie Fragen zu einem Ersatzteil haben, können Sie uns gerne eine Ersatzteilanfrage stellen.

Hier finden Sie alle Ersatzteile von Castelgarden Zweistufige Benzin SNC 62 PB (2S2620003/C20) ab 2020 aus der Zeichnung Getriebegruppe (2):
Artikel 1 - 19 von 19


Artikel 1 - 19 von 19