Getriebe

Zeichnung für Columbia Rasentraktor 110/760 SL mit der Geräte-Artikelnr. 135-3980 ab Baujahr 1985:

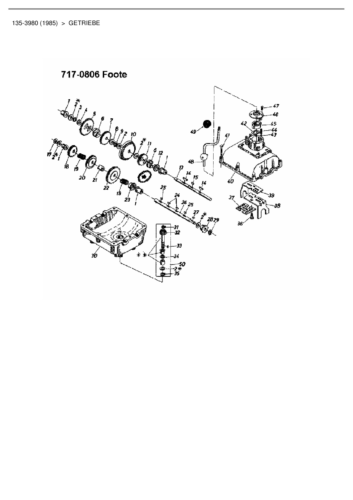
Zeichnung Getriebe

Die Ersatzteil-Zeichnung für Rasentraktor Columbia 110/760 SL als Download:
Download Ersatzteil-Zeichnung Columbia 110/760 SL Zeichnung Getriebe (PDF-Format)
Download Ersatzteil-Zeichnung Columbia 110/760 SL Zeichnung Getriebe (JPG-Format)

Sollten Sie Fragen zu einem Ersatzteil haben, können Sie uns gerne eine E-Mail (mit einem Foto vom Typenschild Ihres Gerätes) schreiben oder eine Ersatzteilanfrage stellen.

Ersatzteile für Rasentraktor Columbia 110/760 SL aus der Zeichnung Getriebe:
Artikel 1 - 5 von 5

10,30 € *
Lieferzeit: 2 - 10 Werktage
5,88 € *
Lieferzeit: 2 - 10 Werktage
4,88 € *
Lieferzeit: 2 - 10 Werktage
5,88 € *
Lieferzeit: 2 - 10 Werktage
7,88 € *
Lieferzeit: 2 - 10 Werktage

Artikel 1 - 5 von 5