Getriebe

Zeichnung für Wolf-Garten Motormäher mit Antrieb Ambition 48 AHW mit der Geräte-Artikelnr. 12B-118R650 ab Baujahr 2012:

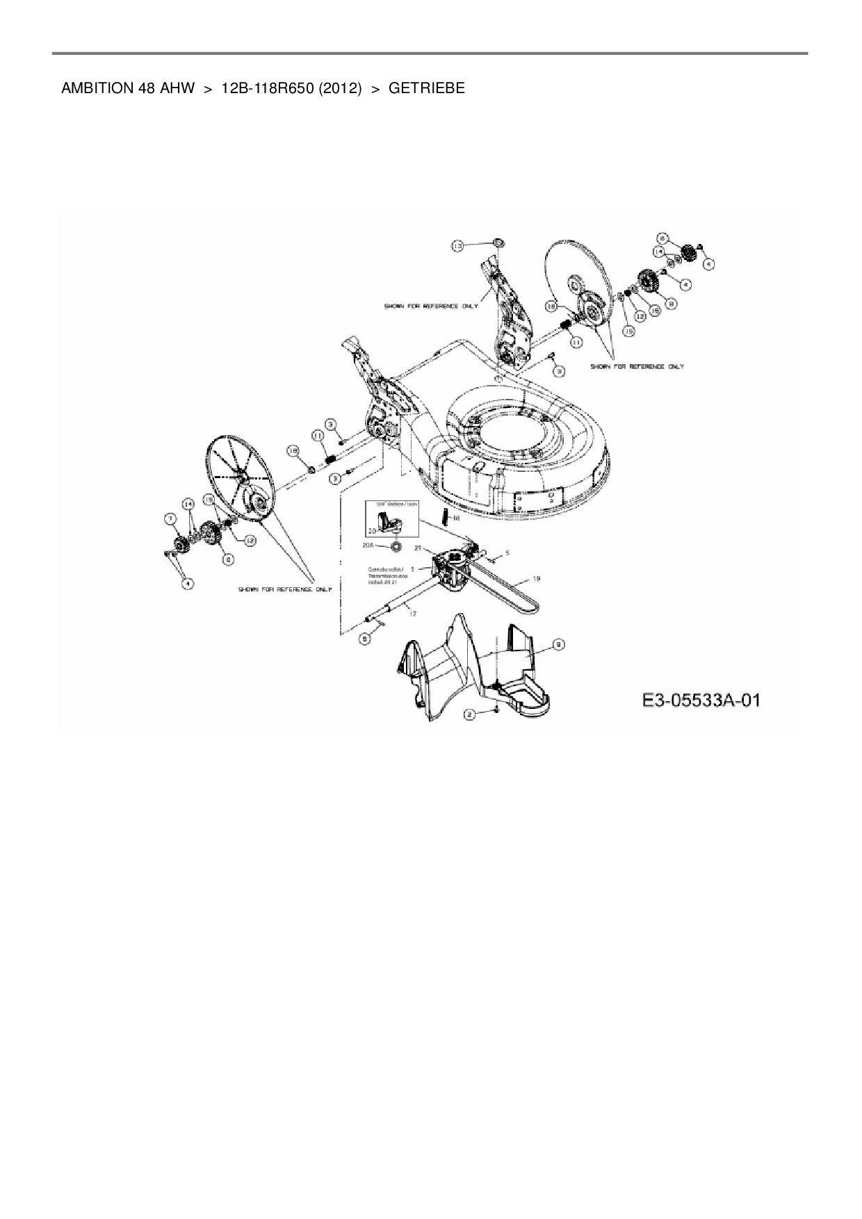
Zeichnung Getriebe

Die Ersatzteil-Zeichnung für Motormäher mit Antrieb Wolf-Garten Ambition 48 AHW als Download:
Download Ersatzteil-Zeichnung Wolf-Garten Ambition 48 AHW Zeichnung Getriebe (PDF-Format)
Download Ersatzteil-Zeichnung Wolf-Garten Ambition 48 AHW Zeichnung Getriebe (JPG-Format)

Sollten Sie Fragen zu einem Ersatzteil haben, können Sie uns gerne eine E-Mail (mit einem Foto vom Typenschild Ihres Gerätes) schreiben oder eine Ersatzteilanfrage stellen.

Ersatzteile für Motormäher mit Antrieb Wolf-Garten Ambition 48 AHW aus der Zeichnung Getriebe:
Artikel 1 - 19 von 19


Artikel 1 - 19 von 19