Getriebe

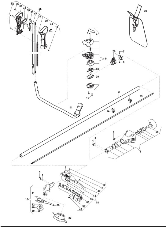
Zeichnung von Castelgarden Benzin Freischneider XB 25 (287321003/C19) ab 2022:

Klicken Sie auf diese Zeichnung

Sollten Sie Fragen zu einem Ersatzteil haben, können Sie uns gerne eine Ersatzteilanfrage stellen.

Hier finden Sie alle Ersatzteile von Castelgarden Benzin Freischneider XB 25 (287321003/C19) ab 2022 aus der Zeichnung Getriebe:
Artikel 1 - 20 von 45


Artikel 1 - 20 von 45