Getriebe

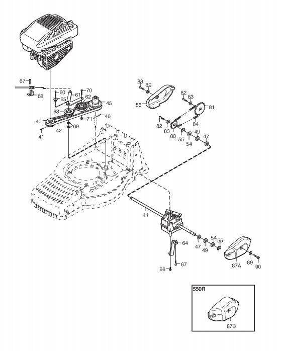
Zeichnung von Mountfield Benzinrasenmäher ab 2003 550 R (Geräte Nr.: 12-9704-78):

Klicken Sie auf diese Zeichnung

Sollten Sie Fragen zu einem Ersatzteil haben, können Sie uns gerne eine Ersatzteilanfrage stellen.

Hier finden Sie alle Ersatzteile von Mountfield Benzinrasenmäher ab 2003 550 R (Geräte Nr.: 12-9704-78) aus der Zeichnung Getriebe:
Artikel 1 - 20 von 28


Artikel 1 - 20 von 28