Getriebe

Zeichnung für Raiffeisen Rasentraktor RMH 13-76 mit der Geräte-Artikelnr. 13AA473A628 ab Baujahr 2000:

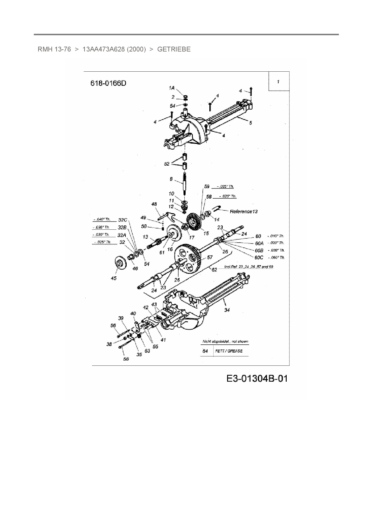
Zeichnung Getriebe

Die Ersatzteil-Zeichnung für Rasentraktor Raiffeisen RMH 13-76 als Download:
Download Ersatzteil-Zeichnung Raiffeisen RMH 13-76 Zeichnung Getriebe (PDF-Format)
Download Ersatzteil-Zeichnung Raiffeisen RMH 13-76 Zeichnung Getriebe (JPG-Format)

Sollten Sie Fragen zu einem Ersatzteil haben, können Sie uns gerne eine E-Mail (mit einem Foto vom Typenschild Ihres Gerätes) schreiben oder eine Ersatzteilanfrage stellen.

Ersatzteile für Rasentraktor Raiffeisen RMH 13-76 aus der Zeichnung Getriebe:
Artikel 1 - 10 von 46

801,62 € *
Lieferzeit: 2 - 10 Werktage
5,88 € *
Lieferzeit: 2 - 10 Werktage
4,88 € *
Lieferzeit: 2 - 10 Werktage
5,88 € *
Lieferzeit: 2 - 10 Werktage
168,04 € *
Lieferzeit: 2 - 10 Werktage
43,72 € *
Lieferzeit: 2 - 10 Werktage
9,88 € *
Lieferzeit: 2 - 10 Werktage
30,59 € *
Lieferzeit: 2 - 10 Werktage
5,88 € *
Lieferzeit: 2 - 10 Werktage
9,88 € *
Lieferzeit: 2 - 10 Werktage