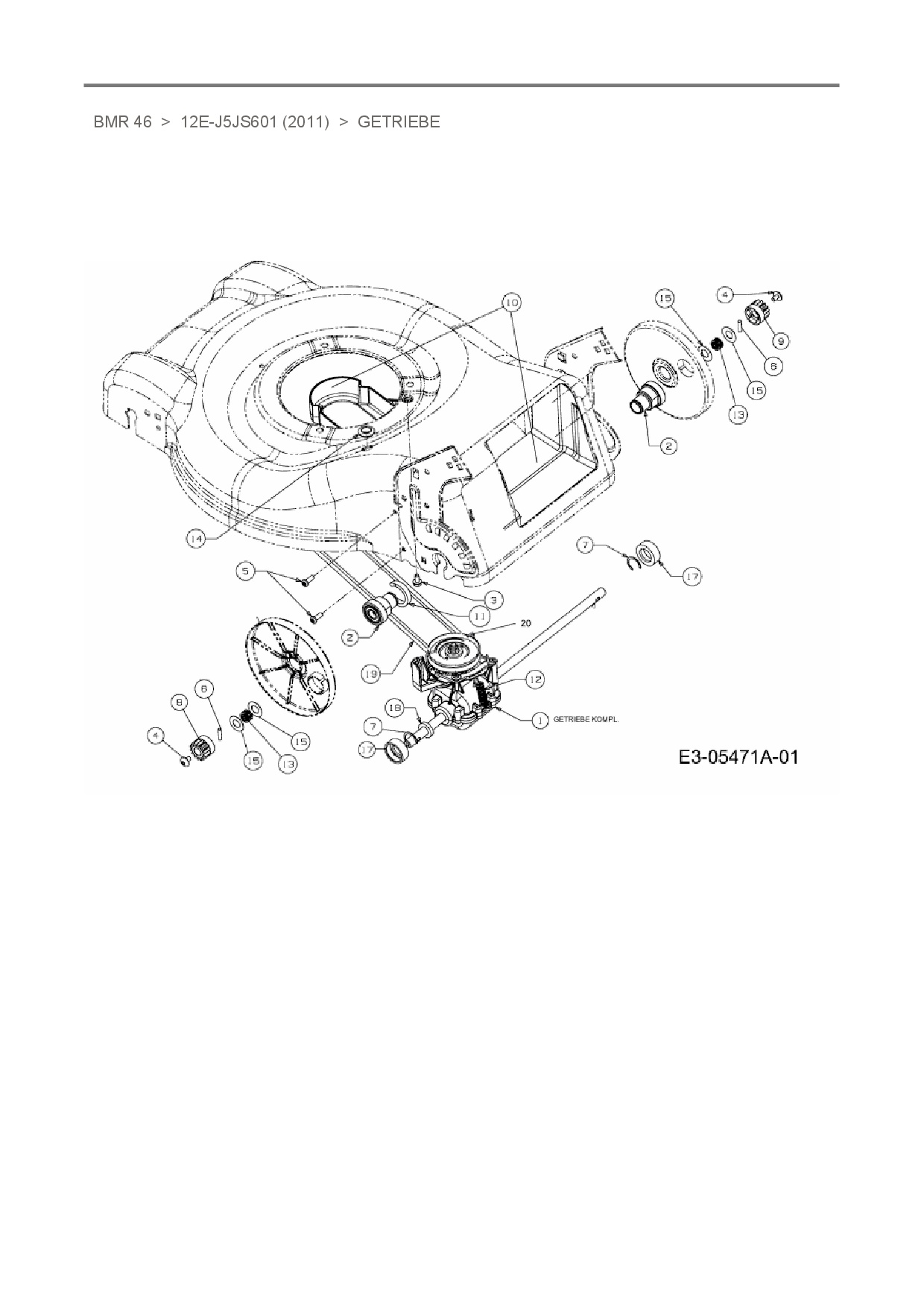
Getriebe

Zeichnung für Plantiflor Motormäher mit Antrieb BMR 46 mit der Geräte-Artikelnr. 12E-J5JS601 ab Baujahr 2011:

Zeichnung Getriebe

Die Ersatzteil-Zeichnung für Motormäher mit Antrieb Plantiflor BMR 46 als Download:
Download Ersatzteil-Zeichnung Plantiflor BMR 46 Zeichnung Getriebe (PDF-Format)
Download Ersatzteil-Zeichnung Plantiflor BMR 46 Zeichnung Getriebe (JPG-Format)

Sollten Sie Fragen zu einem Ersatzteil haben, können Sie uns gerne eine E-Mail (mit einem Foto vom Typenschild Ihres Gerätes) schreiben oder eine Ersatzteilanfrage stellen.

Ersatzteile für Motormäher mit Antrieb Plantiflor BMR 46 aus der Zeichnung Getriebe:
Artikel 1 - 19 von 19

141,38 € *
Lieferzeit: 2 - 10 Werktage

Artikel 1 - 19 von 19