Getriebe

Zeichnung für Turbo-Silent Rasentraktor TSRH 115/76 R mit der Geräte-Artikelnr. 13D1452C667 ab Baujahr 2005:

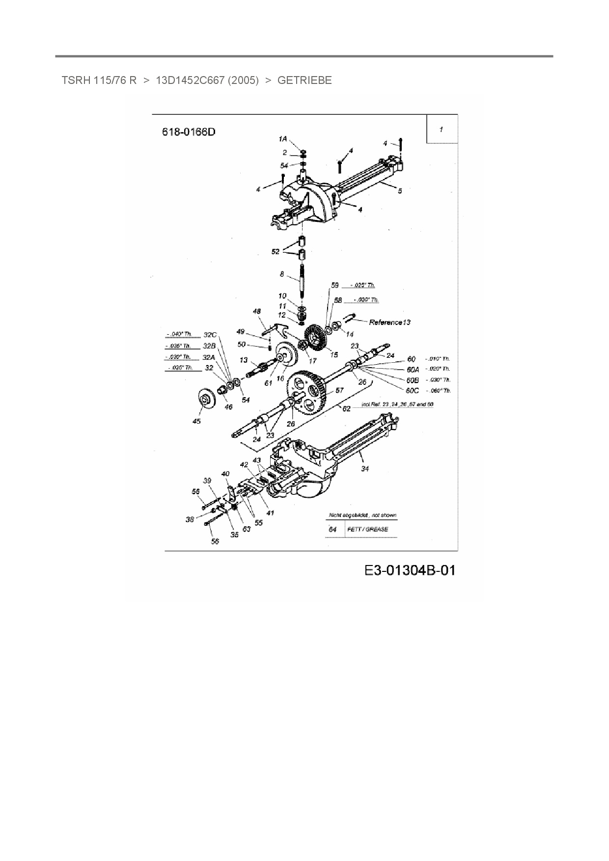
Zeichnung Getriebe

Die Ersatzteil-Zeichnung für Rasentraktor Turbo-Silent TSRH 115/76 R als Download:
Download Ersatzteil-Zeichnung Turbo-Silent TSRH 115/76 R Zeichnung Getriebe (PDF-Format)
Download Ersatzteil-Zeichnung Turbo-Silent TSRH 115/76 R Zeichnung Getriebe (JPG-Format)

Sollten Sie Fragen zu einem Ersatzteil haben, können Sie uns gerne eine E-Mail (mit einem Foto vom Typenschild Ihres Gerätes) schreiben oder eine Ersatzteilanfrage stellen.

Ersatzteile für Rasentraktor Turbo-Silent TSRH 115/76 R aus der Zeichnung Getriebe:
Artikel 1 - 20 von 46

801,62 € *
Lieferzeit: 2 - 10 Werktage
5,88 € *
Lieferzeit: 2 - 10 Werktage
168,04 € *
Lieferzeit: 2 - 10 Werktage
43,72 € *
Lieferzeit: 2 - 10 Werktage
30,59 € *
Lieferzeit: 2 - 10 Werktage
34,32 € *
Lieferzeit: 2 - 10 Werktage
7,88 € *
Lieferzeit: 2 - 10 Werktage

Artikel 1 - 20 von 46